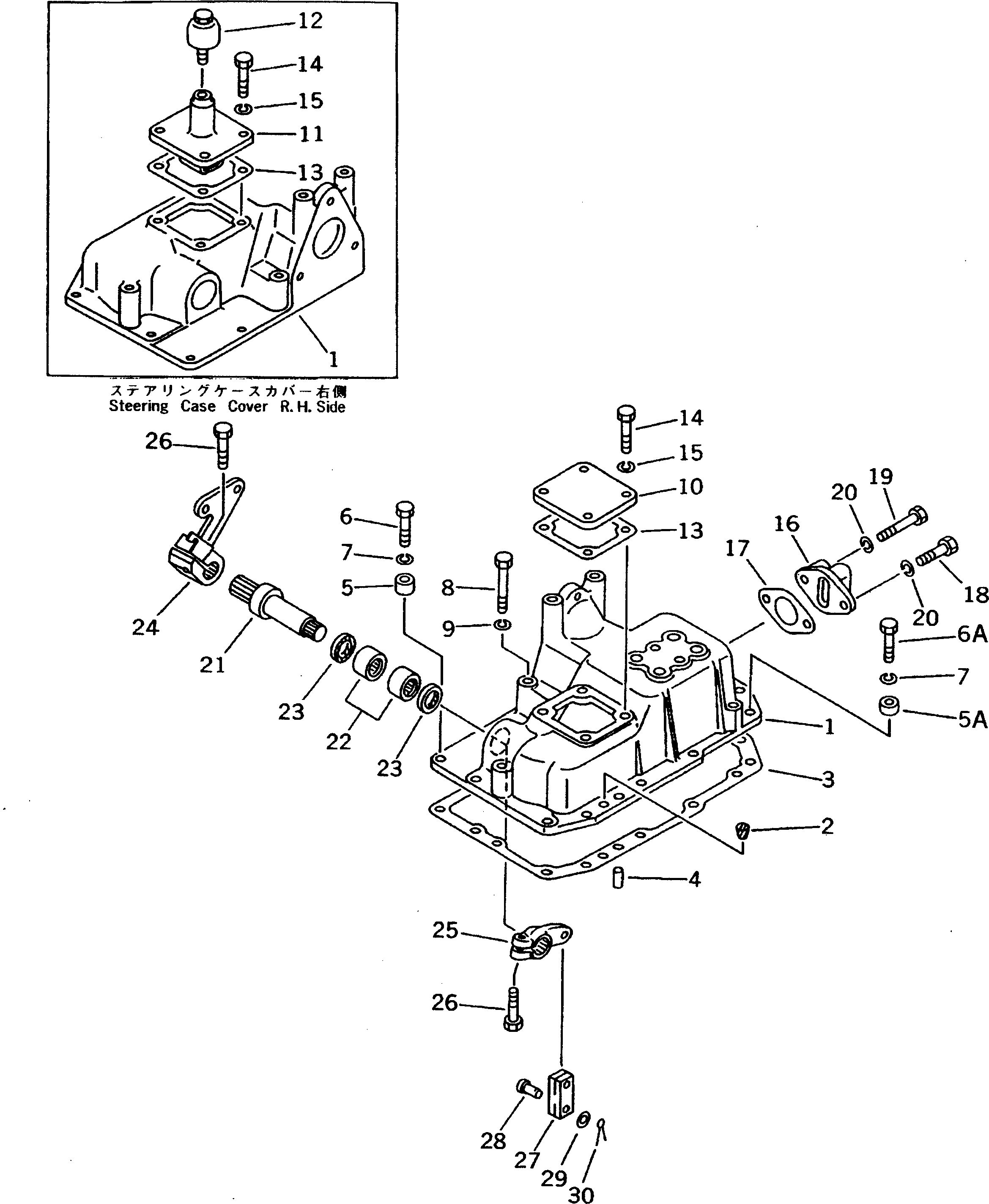
Запчасти Komatsu D31AM-20 РУЛЕВ. УПРАВЛЕНИЕ КОРПУС КРЫШКА(С СИСТЕМОЙ ROPS ИЛИ КАБИНА ROPS) СИЛОВАЯ ПЕРЕДАЧА И КОНЕЧНАЯ ПЕРЕДАЧА

Схема запчастей Komatsu D31AM-20 - РУЛЕВ. УПРАВЛЕНИЕ КОРПУС КРЫШКА(С СИСТЕМОЙ ROPS ИЛИ КАБИНА ROPS) СИЛОВАЯ ПЕРЕДАЧА И КОНЕЧНАЯ ПЕРЕДАЧА
FIT
1:1
100%

Артикул

Название

Примечание

Количество

|1

113-33-00012

COVER ASS'Y,L.H.

SN: 42805-UP

1шт.

|1

113-33-00011

COVER ASS'Y,L.H.

SN: 42001-42804

1шт.

|1

113-33-00022

COVER ASS'Y,R.H.

SN: 42805-UP

1шт.

|1

113-33-00021

COVER ASS'Y,R.H.

SN: 42001-42804

1шт.

1

0

COVER,L.H.

SN: 42805-UP

1шт.

|1

0

COVER,L.H.

SN: 42001-42804

1шт.

|1

0

COVER,R.H.

SN: 42805-UP

1шт.

|1

0

COVER,R.H.

SN: 42001-42804

1шт.

2

07049-01012

PLUG

SN: 42001-UP

2шт.

3

113-33-32253

GASKET

SN: 42805-UP

2шт.

|3

113-33-32252

GASKET

SN: 42199-42804

2шт.

|3

0

GASKET

SN: 42001-42198

2шт.

4

113-33-22180

PIN,DOWEL

SN: 42001-UP

4шт.

5

198-43-15310

COLLAR¤ 10MM

SN: 42805-UP

8шт.

|5

581-95-19870

BOSS

SN: 42001-42804

8шт.

5A

198-43-15310

COLLAR¤ 10MM

SN: 42805-UP

14шт.

|5A

103-21-31260

BOSS

SN: 42001-42804

14шт.

6

01010-81245

BOLT

SN: 42805-UP

8шт.

|6

01010-81040

BOLT

SN: 42001-42804

8шт.

6A

01010-81245

BOLT

SN: 42805-UP

14шт.

|6A

01010-81055

BOLT

SN: 42001-42804

14шт.

7

01602-21236

WASHER,SPRING

SN: 42805-UP

22шт.

|7

01602-21030

WASHER,SPRING

SN: 42001-42804

22шт.

8

01010-81270

BOLT

SN: 42805-UP

8шт.

|8

01010-81065

BOLT

SN: 42001-42804

8шт.

9

01602-21236

WASHER,SPRING

SN: 42805-UP

8шт.

|9

01602-21030

WASHER,SPRING

SN: 42001-42804

8шт.

10

113-33-32260

COVER,L.H.

SN: 42001-UP

1шт.

11

113-33-32280

COVER,R.H.

SN: 42001-UP

1шт.

12

07030-00252

BREATHER

SN: 42001-UP

1шт.

13

113-33-32271

GASKET

SN: 42199-UP

2шт.

|13

0

GASKET

SN: 42001-42198

2шт.

14

01010-81025

BOLT

SN: 42001-UP

8шт.

15

01602-21030

WASHER,SPRING

SN: 42001-UP

8шт.

16

113-33-49111

CAP

SN: 42805-UP

2шт.

|16

113-33-49110

CAP

SN: 42001-42804

2шт.

17

113-33-22350

GASKET

SN: 42805-UP

2шт.

|17

113-33-22171

GASKET

SN: 42199-42804

2шт.

|17

0

GASKET

SN: 42001-42198

2шт.

18

01010-81230

BOLT

SN: 42805-UP

2шт.

|18

01010-81025

BOLT

SN: 42001-42804

2шт.

19

01010-81255

BOLT

SN: 42805-UP

2шт.

|19

01010-81050

BOLT

SN: 42001-42804

2шт.

20

01602-21236

WASHER,SPRING

SN: 42805-UP

4шт.

|20

01602-21030

WASHER,SPRING

SN: 42001-42804

4шт.

21

113-33-32130

SHAFT,L.H.

SN: 42001-UP

1шт.

|21

113-33-32140

SHAFT,R.H.

SN: 42001-UP

1шт.

22

06120-02820

BEARING,NEEDLE

SN: 42001-UP

4шт.

23

06122-02804

SEAL,BEARING

SN: 42001-UP

4шт.

24

113-33-41160

LEVER

SN: 42001-UP

2шт.

|24

06600-01008

BUSHING

SN: 42001-UP

1шт.

|24

06600-01210

BUSHING

SN: 42001-UP

1шт.

25

113-33-22251

LEVER

SN: 42001-UP

2шт.

26

01010-80830

BOLT

SN: 42001-UP

4шт.

27

113-33-22240

YOKE

SN: 42001-UP

2шт.

28

04205-11032

PIN

SN: 42001-UP

4шт.

29

01641-21016

WASHER

SN: 42001-UP

4шт.

30

04050-13015

PIN,COTTER

SN: 42001-UP

4шт.

Выбрано товаров: 0