Запчасти Komatsu D31E-17 РУЛЕВ. УПРАВЛЕНИЕ МАСЛОПРОВОДЯЩАЯ ЛИНИЯ РУЛЕВ. УПРАВЛЕНИЕ И КОНЕЧНАЯ ПЕРЕДАЧА

Схема запчастей Komatsu D31E-17 - РУЛЕВ. УПРАВЛЕНИЕ МАСЛОПРОВОДЯЩАЯ ЛИНИЯ РУЛЕВ. УПРАВЛЕНИЕ И КОНЕЧНАЯ ПЕРЕДАЧА
FIT
1:1
100%

Артикул

Название

Примечание

Количество

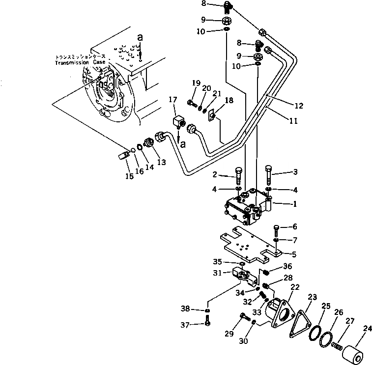
1

113-40-00100

VALVE ASS'Y

SN: 32001-UP

1шт.

2

0

BOLT

SN: 32001-UP

1шт.

3

01010-51280

BOLT

SN: 32001-UP

3шт.

4

01602-21236

WASHER

SN: 32001-UP

4шт.

5

113-40-31210

PLATE

SN: 32001-UP

1шт.

6

01010-51035

BOLT

SN: 32001-UP

4шт.

7

01602-21030

WASHER

SN: 32001-UP

4шт.

8

07232-10315

ELBOW

SN: 32001-UP

2шт.

9

07239-12009

NUT

SN: 32001-UP

2шт.

10

07002-02034

O-RING

SN: 32001-UP

2шт.

11

113-40-33141

TUBE

SN: 32001-UP

1шт.

12

113-40-33151

TUBE

SN: 32001-UP

1шт.

13

113-40-33111

NIPPLE

SN: 32001-UP

1шт.

14

07002-01623

O-RING

SN: 32001-UP

1шт.

15

103-40-23260

NIPPLE

SN: 32001-UP

1шт.

16

04260-01270

BALL

SN: 32001-UP

1шт.

17

113-40-33170

NIPPLE

SN: 32001-UP

1шт.

18

114-62-23150

CLIP

SN: 32001-UP

1шт.

19

01010-51035

BOLT

SN: 32001-UP

1шт.

20

01602-21030

WASHER

SN: 32001-UP

1шт.

21

01643-31032

WASHER

SN: 32001-UP

1шт.

22

113-40-32111

CYLINDER

SN: 32001-UP

1шт.

22

113-40-32140

CYLINDER

SN: 32001-UP

1шт.

23

113-40-32120

GASKET

SN: 32001-UP

2шт.

24

113-40-32130

PISTON

SN: 32001-UP

2шт.

25

07000-05070

O-RING

SN: 32001-UP

2шт.

26

07001-05070

RING

SN: 32001-UP

2шт.

27

234-15-15230

SPRING, (L= 52.0)

SN: 32001-UP

2шт.

28

0

PLUG

SN: 32001-UP

2шт.

29

01010-51035

BOLT

SN: 32001-UP

6шт.

30

01602-21030

WASHER

SN: 32001-UP

6шт.

31

113-40-31220

BLOCK

SN: 32001-UP

1шт.

32

113-40-31230

SLEEVE

SN: 32001-UP

2шт.

33

07000-12010

O-RING

SN: 32001-UP

2шт.

34

07000-12012

O-RING

SN: 32001-UP

2шт.

35

07000-02020

O-RING

SN: 32001-UP

2шт.

36

07043-30108

PLUG

SN: 32001-UP

2шт.

37

01010-51025

BOLT

SN: 32001-UP

2шт.

38

01602-21030

WASHER

SN: 32001-UP

2шт.

Выбрано товаров: 39