Запчасти Komatsu D31E-17 ГИДР. НАСОС. УПРАВЛ-Е РАБОЧИМ ОБОРУДОВАНИЕМ

Схема запчастей Komatsu D31E-17 - ГИДР. НАСОС. УПРАВЛ-Е РАБОЧИМ ОБОРУДОВАНИЕМ
FIT
1:1
100%

Артикул

Название

Примечание

Количество

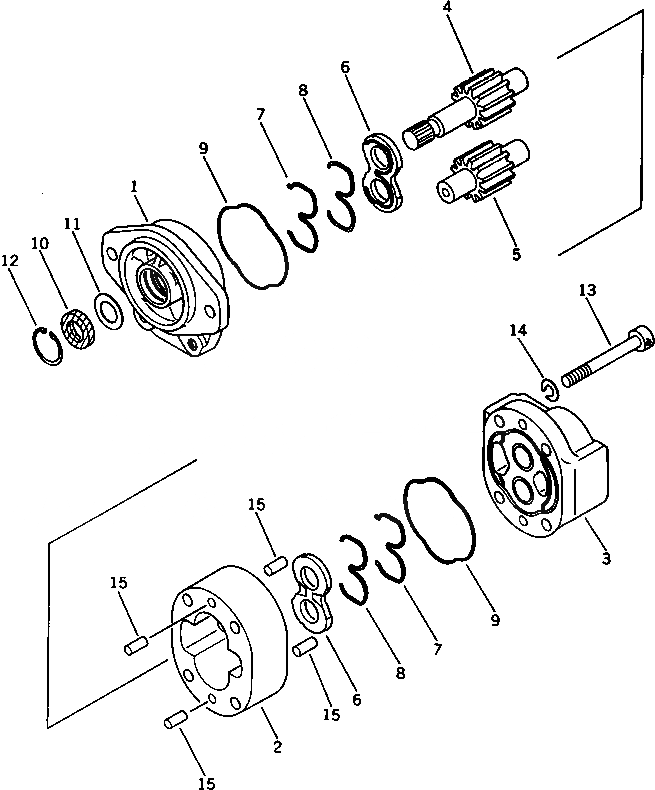
1

705-12-32110

PUMP ASS'Y

SN: 32001-UP

1шт.

1

705-17-02022

BRACKET ASS'Y

SN: 32001-UP

1шт.

2

705-17-32012

CASE

SN: 32001-UP

1шт.

3

705-17-02141

COVER ASS'Y

SN: 32001-UP

1шт.

4

705-17-32412

GEAR

SN: 32001-UP

1шт.

5

705-17-32512

GEAR

SN: 32001-UP

1шт.

6

705-17-02612

PLATE

SN: 32001-UP

2шт.

7

705-17-02440

RING

SN: 32001-UP

2шт.

8

705-17-02472

RING

SN: 32001-UP

2шт.

9

705-17-02381

O-RING

SN: 32001-UP

2шт.

10

0

SEAL

SN: 32001-UP

1шт.

11

705-17-02870

PLATE

SN: 32001-UP

1шт.

12

04065-04018

RING

SN: 32001-UP

1шт.

13

705-17-02760

BOLT

SN: 32001-UP

4шт.

14

01602-21236

WASHER

SN: 32001-UP

4шт.

15

04020-01024

PIN

SN: 32001-UP

4шт.

Выбрано товаров: 16