Запчасти Komatsu D31E-20 CROSS BAR (ДЛЯ TОБОД КОЛЕСАMING DOZER) (ДЛЯ CHINA) ОСНОВН. РАМА И КОМПОНЕНТЫ

Схема запчастей Komatsu D31E-20 - CROSS BAR (ДЛЯ TОБОД КОЛЕСАMING DOZER) (ДЛЯ CHINA) ОСНОВН. РАМА И КОМПОНЕНТЫ
FIT
1:1
100%

Артикул

Название

Примечание

Количество

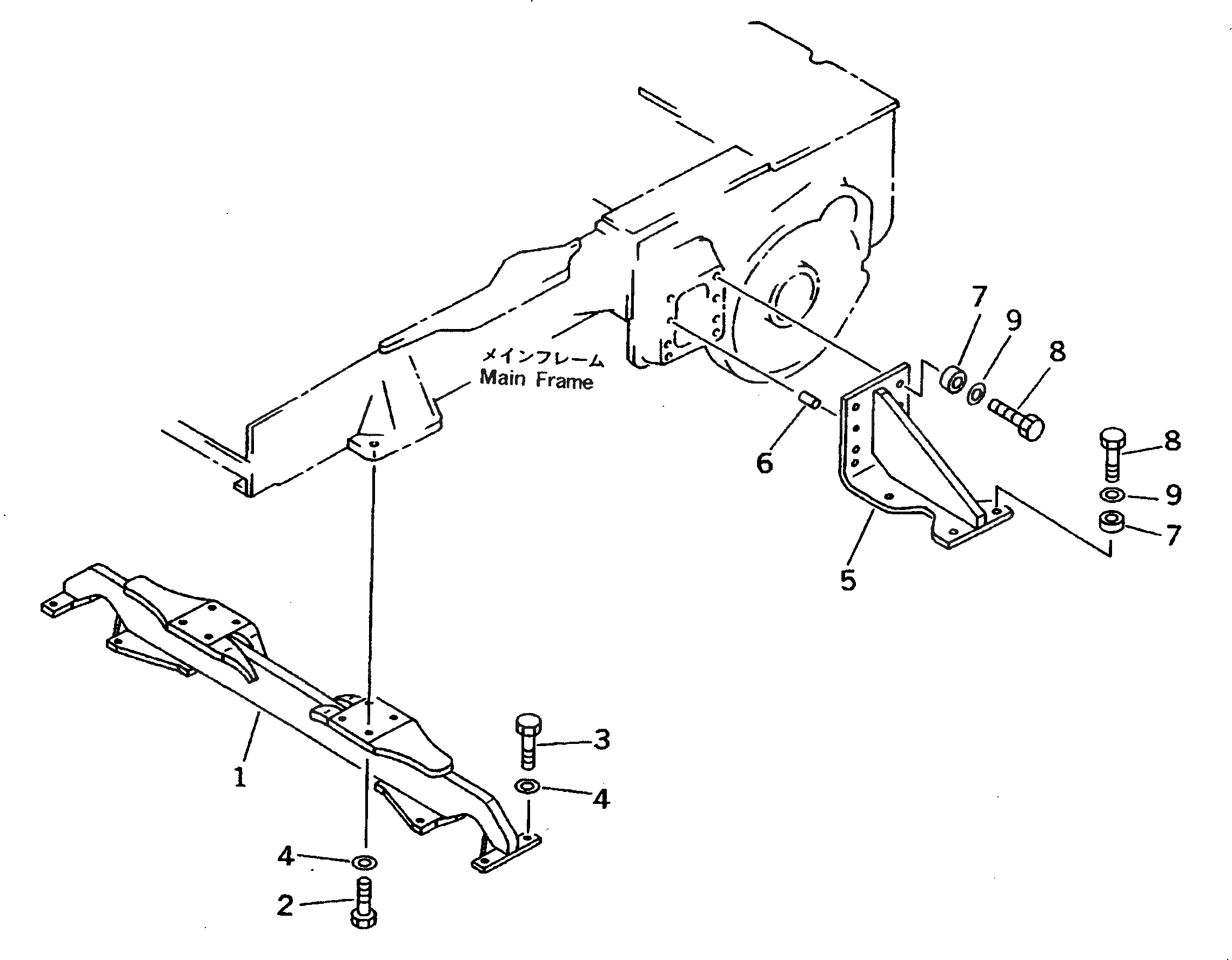
1

114-50-49111

BAR,CROSS

SN: 42001-UP

1шт.

2

01010-52055

BOLT

SN: 42001-UP

8шт.

3

01010-52050

BOLT

SN: 42001-UP

8шт.

4

01643-32060

WASHER

SN: 42001-UP

16шт.

5

113-50-41120

BRACKET

SN: 42001-UP

2шт.

6

04020-01842

PIN,DOWEL

SN: 42001-UP

4шт.

7

114-Y16-3390

SEAT

SN: 42001-UP

20шт.

8

01010-52065

BOLT

SN: 42001-UP

20шт.

9

01643-32060

WASHER

SN: 42001-UP

20шт.

Выбрано товаров: 9