Качественные детали и логистика
Оригинальные и аналоговые запчасти с доставкой по России, Казахстану и Беларуси
©2022 PartSell ООО "Система" ИНН 2463123282 ОГРН 1212400004838
Центральный офис: г. Красноярск, Академика Киренского, д.87, пом.4
Телефон: 8 (800) 777-65-74 Email: zakaz@partsell.ru
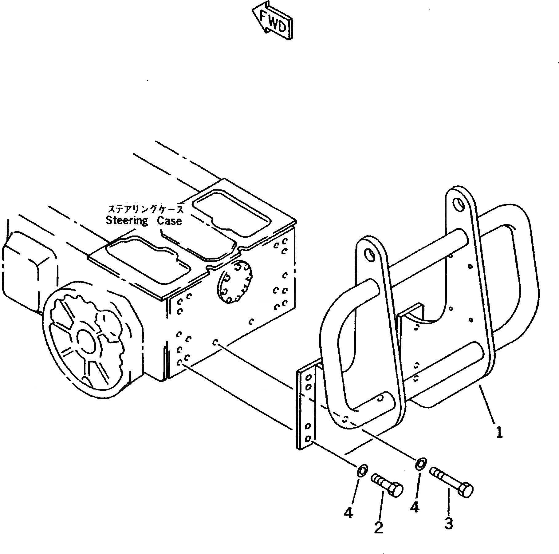
ЗАДН. ЧАСТИ КОРПУСА (ДЛЯ TОБОД КОЛЕСАMING DOZER)
№
Артикул
Название
Примечание
Количество
1
11G-Y16-3230
GUARD,REAR
SN: 42001-UP
1шт.
2
01010-52055
BOLT
8шт.
3
01010-52080
2шт.
4
01643-32060
WASHER
10шт.
Выбрано товаров: 0