Запчасти Komatsu D31E-20 МАРКИРОВКА (КИТАЙ)(№-7) МАРКИРОВКА

Схема запчастей Komatsu D31E-20 - МАРКИРОВКА (КИТАЙ)(№-7) МАРКИРОВКА
FIT
1:1
100%

Артикул

Название

Примечание

Количество

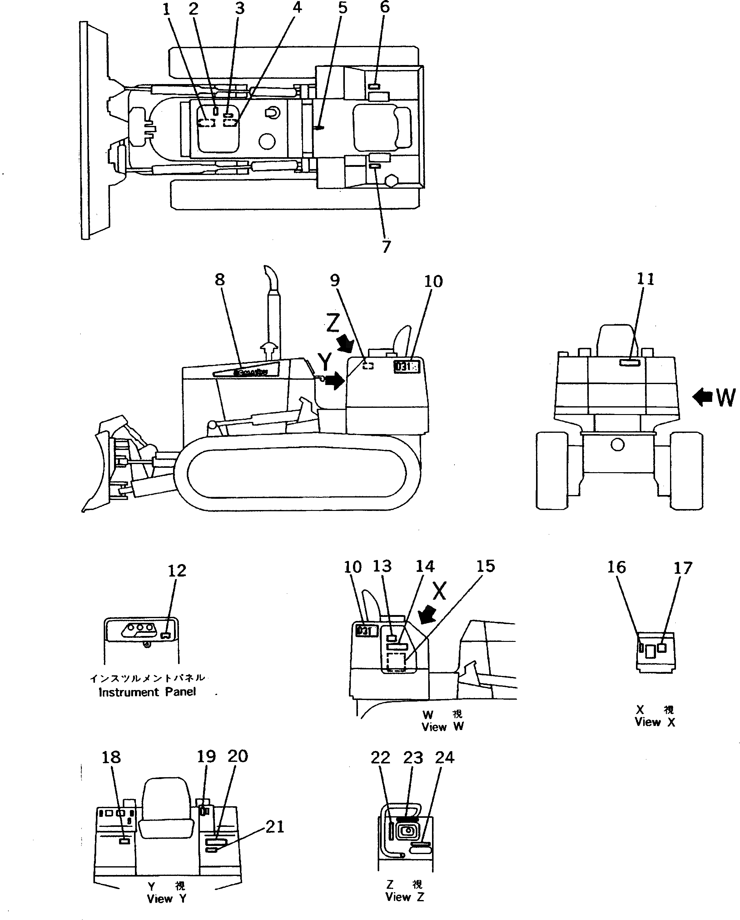
1

09637-90261

PLATE, INSTRUCTION,AIR CLEANER

SN: 42001-@

1шт.

2

09667-09000

PLATE, SAFETY,ENGINE ROOM

SN: 42001-@

1шт.

3

09668-09000

PLATE, SAFETY,RADIATOR WARNING

SN: 42001-@

1шт.

4

09650-90103

PLATE, INSTRUCTION,RADIATOR

SN: 42001-42722

1шт.

5

114-98-44250

PLATE, OPERATING,PARKING BRAKE LEVER LOCK

SN: 42001-@

1шт.

6

09651-09000

PLATE, SAFETY,BEFORE OPERATING

SN: 42001-@

1шт.

7

09652-90111

PLATE, CAUTION,FUEL TANK

SN: 42001-@

1шт.

8

114-98-44420

PLATE, MARK,KOMATSU, L.H.

SN: 42001-@

1шт.

8

114-98-44430

PLATE, MARK,KOMATSU, R.H.

SN: 42001-@

1шт.

9

09601-90835

PLATE, NAME,(LIMITED SUPPLY)

SN: 42001-@

1шт.

9

04418-13060

SCREW

SN: 42001-@

4шт.

10

114-98-45971

PLATE, MARK,D31E

SN: 42001-@

2шт.

11

09690-C0224

PLATE, MARK,KOMATSU

SN: 42001-42722

1шт.

12

09683-90060

PLATE, OPERATING,STARTING SWITCH

SN: 42001-@

1шт.

13

09653-09000

PLATE, SAFETY,HYDRAULIC TANK

SN: 42001-@

1шт.

14

114-98-31941

PLATE, CAUTION,HYDRAULIC FILTER

SN: 42001-@

1шт.

15

114-98-41931

CHART, OIL

SN: 42001-42722

1шт.

16

114-98-44250

PLATE, OPERATING,BLADE CONTROL LEVER LOCK

SN: 42001-@

1шт.

17

114-54-48611

PLATE, OPERATING,BLADE CONTROL LEVER

SN: 42001-42722

1шт.

18

09173-09000

PLATE, SAFETY,INSPECTION AND MAINTENANCE

SN: 42001-@

1шт.

19

114-98-44250

PLATE, OPERATING,T/M CONTROL LEVER LOCK

SN: 42001-@

1шт.

20

09657-09010

PLATE, SAFETY,TRACK ADJUSTING

SN: 42001-@

1шт.

21

114-98-44570

PLATE, SAFETY,STARTING AND AFTER OPERATING

SN: 42001-@

1шт.

22

114-98-44170

PLATE, OPERATING,TURN

SN: 42001-@

1шт.

23

114-98-44180

PLATE, OPERATING,STEERING CONTROL LEVER

SN: 42001-@

1шт.

24

114-98-44220

PLATE, OPERATING,GEAR SHIFT CONTROL LEVER

SN: 42001-@

1шт.

Выбрано товаров: 26