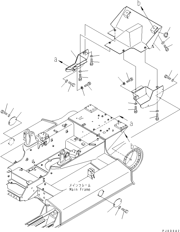
Запчасти Komatsu D31EX-21 КРЫШКИ ХОДОВАЯ

Схема запчастей Komatsu D31EX-21 - КРЫШКИ ХОДОВАЯ
1
2
2
2
2
3
4
5
5
6
7
8
9
10
10
10
10
11
12
13
13
14
15
16
17
18
19
20
FIT
1:1
100%

Артикул

Название

Примечание

Количество

1

11Y-30-13371

COVER,L.H.

SN: 50001-UP

1шт.

2

01010-81225

BOLT

SN: 50001-UP

6шт.

3

144-862-7270

WASHER

SN: 50001-UP

1шт.

4

01643-31232

WASHER

SN: 50001-UP

3шт.

5

130-43-64260

COLLAR

SN: 50001-UP

2шт.

6

14Y-30-11277

COVER

SN: 50001-UP

1шт.

7

01010-81235

BOLT

SN: 50001-UP

2шт.

8

01643-31232

WASHER

SN: 50001-UP

2шт.

9

11Y-30-13381

COVER,R.H.

SN: 50001-UP

1шт.

10

01010-81225

BOLT

SN: 50001-UP

6шт.

11

144-862-7270

WASHER

SN: 50001-UP

1шт.

12

01643-31232

WASHER

SN: 50001-UP

3шт.

13

130-43-64260

COLLAR

SN: 50001-UP

2шт.

14

14Y-30-11277

COVER

SN: 50001-UP

1шт.

15

01010-81235

BOLT

SN: 50001-UP

2шт.

16

01643-31232

WASHER

SN: 50001-UP

2шт.

17

11Y-30-13362

COVER

SN: 50001-UP

1шт.

18

01010-81225

BOLT

SN: 50001-UP

2шт.

19

01643-31232

WASHER

SN: 50001-UP

2шт.

20

11Y-30-11250

CAP

SN: 50001-UP

2шт.

Выбрано товаров: 20