Запчасти Komatsu SAA4D102E-2B-B5 ТРУБКА (ФОРСИР.)(№7777-) ДВИГАТЕЛЬ

Схема запчастей Komatsu SAA4D102E-2B-B5 - ТРУБКА (ФОРСИР.)(№7777-) ДВИГАТЕЛЬ
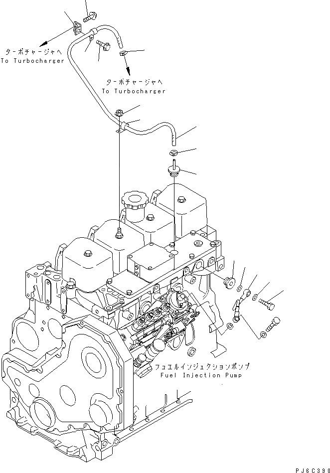
1
2
3
4
4
5
6
6
7
7
8
9
10
11
12
1
2
3
4
4
5
6
6
7
7
8
9
10
11
12
FIT
1:1
100%

Артикул

Название

Примечание

Количество

1

6735-71-5460

NIPPLE

SN: 26277757-UP

1шт.

2

6737-71-5411

TUBE

SN: 26277757-UP

1шт.

3

6732-71-6510

BOLT,JOINT

SN: 26277757-UP

1шт.

4

07005-01212

GASKET (K1)

SN: 26277757-UP

2шт.

5

6737-11-4310

HOSE

SN: 26277757-UP

1шт.

6

07280-00910

CLAMP

SN: 26277757-UP

2шт.

7

04434-51008

CLIP

SN: 26277757-UP

2шт.

8

01584-00806

NUT

SN: 26277757-UP

1шт.

9

6144-11-8951

STAY

SN: 26277757-UP

1шт.

10

6732-21-3120

BOLT

SN: 26277757-UP

1шт.

11

6216-74-6180

BOLT

SN: 26277757-UP

1шт.

12

6737-71-5460

CONNECTOR

SN: 26277757-UP

1шт.

1

6735-71-5460

NIPPLE

SN: 26277757-UP

1шт.

2

6737-71-5411

TUBE

SN: 26277757-UP

1шт.

3

6732-71-6510

BOLT,JOINT

SN: 26277757-UP

1шт.

4

07005-01212

GASKET (K1)

SN: 26277757-UP

2шт.

5

6737-11-4310

HOSE

SN: 26277757-UP

1шт.

6

07280-00910

CLAMP

SN: 26277757-UP

2шт.

7

04434-51008

CLIP

SN: 26277757-UP

2шт.

8

01584-00806

NUT

SN: 26277757-UP

1шт.

9

6144-11-8951

STAY

SN: 26277757-UP

1шт.

10

6732-21-3120

BOLT

SN: 26277757-UP

1шт.

11

6216-74-6180

BOLT

SN: 26277757-UP

1шт.

12

6737-71-5460

CONNECTOR

SN: 26277757-UP

1шт.

Выбрано товаров: 24