Запчасти Komatsu D31EX-22 ЭЛЕКТРИЧ. ПРОВОДКА, РЕЛЕ И ЗВУК. СИГНАЛ. (№-) ЭЛЕКТРИЧ. ПРОВОДКА, С АВТОМАТИЧ. ВОЗД. BLEEDING НАСОС ДЛЯ ТОПЛИВН. КОНТУР

Схема запчастей Komatsu D31EX-22 - ЭЛЕКТРИЧ. ПРОВОДКА, РЕЛЕ И ЗВУК. СИГНАЛ. (№-) ЭЛЕКТРИЧ. ПРОВОДКА, С АВТОМАТИЧ. ВОЗД. BLEEDING НАСОС ДЛЯ ТОПЛИВН. КОНТУР
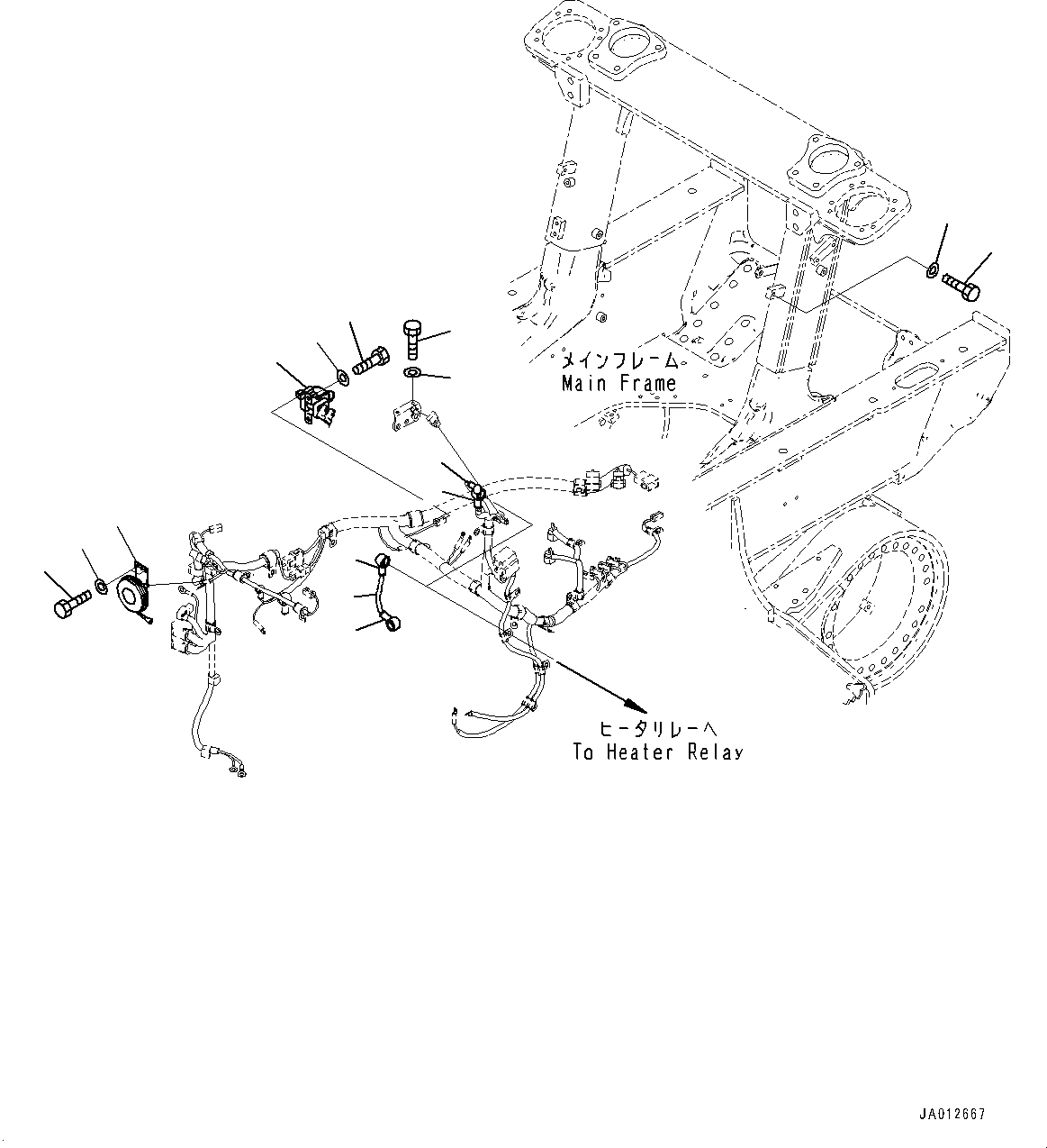
1
2
3
4
5
6
7
8
10
11
12
9
8
14
13
FIT
1:1
100%

Артикул

Название

Примечание

Количество

1

11Y-06-11391

Switch, Starter Relay

SN: 60001-UP

1шт.

2

01010-80820

Bolt

SN: 60001-UP

2шт.

3

01643-30823

Washer

SN: 60001-UP

2шт.

4

11Y-06-31391

Cable

SN: 60001-UP

1шт.

5

01010-80616

Bolt

SN: 60001-UP

2шт.

6

01643-30623

Washer

SN: 60001-UP

2шт.

7

08038-00519

Cap, Terminal

SN: 60001-UP

1шт.

8

08038-02027

Cap, Terminal

SN: 60001-UP

2шт.

9

11Y-06-11630

Cap

SN: 60001-UP

1шт.

10

19M-06-18220

Horn

SN: 60001-UP

1шт.

11

01010-80820

Bolt

SN: 60001-UP

2шт.

12

01643-30823

Washer

SN: 60001-UP

2шт.

13

01010-81016

Bolt

SN: 60001-UP

1шт.

14

01643-31032

Washer

SN: 60001-UP

1шт.

Выбрано товаров: 14