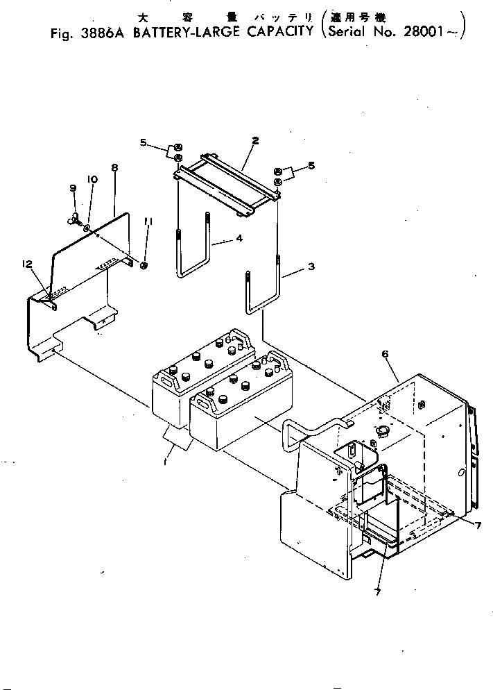
Запчасти Komatsu D31P-16 АККУМУЛЯТОР¤ ВЫСОК. ЕМК.(№8-) ОПЦИОННЫЕ КОМПОНЕНТЫ

Схема запчастей Komatsu D31P-16 - АККУМУЛЯТОР¤ ВЫСОК. ЕМК.(№8-) ОПЦИОННЫЕ КОМПОНЕНТЫ
FIT
1:1
100%

Артикул

Название

Примечание

Количество

1

08000-11215

BATTERY (145G51)

SN: 25001-UP

2шт.

2

113-06-25170

HOLDER

SN: 28001-UP

1шт.

3

08006-15230

BOLT

SN: 25001-UP

2шт.

4

08006-15260

BOLT

SN: 28001-UP

2шт.

5

01580-01008

NUT

SN: 25001-UP

8шт.

6

113-54-29330

CASE

SN: 28001-UP

1шт.

7

08007-03538

CUSHION

SN: 28001-UP

2шт.

8

113-54-24530

COVER

SN: 28001-UP

1шт.

9

01434-10825

BOLT¤ WING

SN: 28001-UP

1шт.

10

01643-30823

WASHER

SN: 28001-UP

1шт.

11

01580-10806

NUT

SN: 28001-UP

1шт.

12

113-54-24190

HINGE

SN: 28001-UP

2шт.

Выбрано товаров: 12