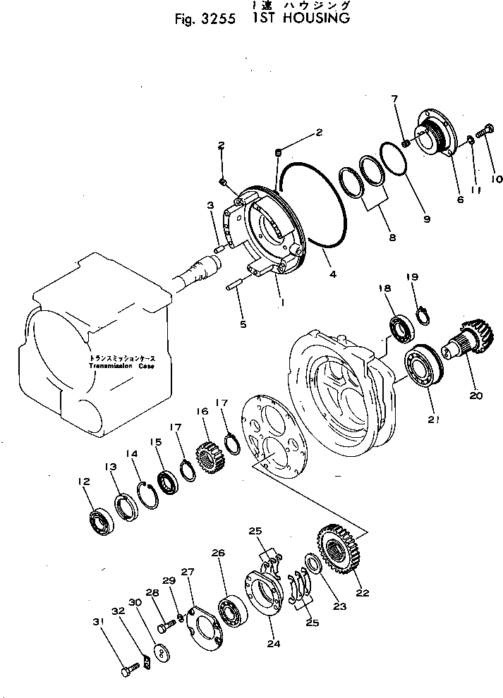
Запчасти Komatsu D31P-16 1 КОЖУХ ДЕМПФЕР И ТРАНСМИССИЯ

Схема запчастей Komatsu D31P-16 - 1 КОЖУХ ДЕМПФЕР И ТРАНСМИССИЯ
FIT
1:1
100%

Артикул

Название

Примечание

Количество

|1

113-15-00201

TRANSMISSION ASS'Y

SN: 25883-UP

1шт.

|1

113-15-00200

TRANSMISSION ASS'Y

SN: 25001-25882

1шт.

|1

113-15-00210

HOUSING ASS'Y

SN: 25001-UP

1шт.

1

0

HOUSING

SN: 25001-UP

1шт.

2

07043-00108

PLUG

SN: 25001-UP

2шт.

3

113-15-21290

PIN

SN: 25001-UP

2шт.

4

07000-05270

O-RING (KIT)

SN: 28001-UP

1шт.

|4

0

O-RING

SN: 25001-28000

1шт.

5

113-15-21280

PIN

SN: 25001-UP

5шт.

|6

113-51-00220

CAGE ASS'Y

SN: 25001-UP

1шт.

6

0

CAGE

SN: 25001-UP

1шт.

7

175-15-11230

PLUG

SN: 25001-UP

1шт.

8

07018-20954

RING

SN: 25001-UP

2шт.

9

07000-02110

O-RING (KIT)

SN: 25001-UP

1шт.

10

01010-31025

BOLT

SN: 25001-UP

4шт.

11

01602-01030

WASHER

SN: 25001-UP

4шт.

12

103-15-12940

BEARING

SN: 25001-UP

1шт.

13

113-15-21230

COLLAR

SN: 25001-UP

1шт.

14

04065-08530

RING

SN: 25001-UP

1шт.

15

07012-10048

SEAL (KIT)

SN: 25001-UP

1шт.

16

113-15-23210

GEAR¤ 20 TEETH

SN: 25001-UP

1шт.

17

04064-05520

RING

SN: 25001-UP

2шт.

18

06041-00209

BEARING

SN: 25001-UP

1шт.

19

04064-04518

RING

SN: 25001-UP

1шт.

20

113-15-23240

SHAFT

SN: 25001-UP

1шт.

21

113-15-23910

BEARING

SN: 25001-UP

1шт.

22

113-15-23220

GEAR¤ 36 TEETH

SN: 25001-UP

1шт.

23

113-15-23390

SPACER

SN: 25001-UP

1шт.

24

113-15-23360

CAGE

SN: 25001-UP

1шт.

25

113-15-23410

SHIM¤ 1.0MM (KIT)

SN: 25001-UP

2шт.

|25

113-15-23420

SHIM¤ 0.2MM (KIT)

SN: 25001-UP

8шт.

|25

113-15-23440

SHIM¤ 0.3MM (KIT)

SN: 25001-UP

4шт.

26

06030-22308

BEARING

SN: 25001-UP

1шт.

27

113-15-23370

PLATE

SN: 25001-UP

1шт.

28

01010-31035

BOLT

SN: 25001-UP

4шт.

29

01602-01030

WASHER

SN: 25001-UP

4шт.

30

113-15-23380

HOLDER

SN: 25001-UP

1шт.

31

01010-30825

BOLT

SN: 25001-UP

2шт.

32

04081-03510

LOCK (KIT)

SN: 25001-UP

1шт.

Выбрано товаров: 39