Запчасти Komatsu D31P-16 КОНЕЧНАЯ ПЕРЕДАЧА КОЖУХ СИСТЕМАУПРАВЛЕНИЯ ПОВОРОТОМ И КОНЕЧНАЯ ПЕРЕДАЧА

Схема запчастей Komatsu D31P-16 - КОНЕЧНАЯ ПЕРЕДАЧА КОЖУХ СИСТЕМАУПРАВЛЕНИЯ ПОВОРОТОМ И КОНЕЧНАЯ ПЕРЕДАЧА
FIT
1:1
100%

Артикул

Название

Примечание

Количество

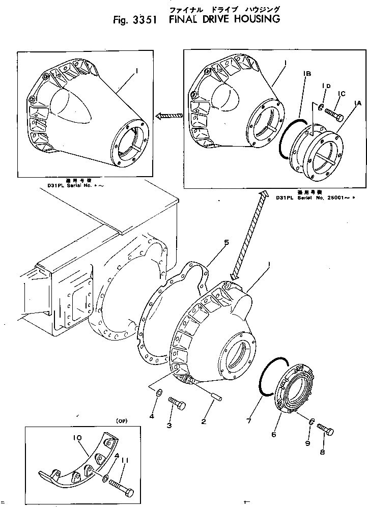
1

113-27-21110

CASE

SN: 25001-UP

2шт.

|1

11G-A70-3150

CASE

SN: 25000-25000

2шт.

|1

11K-27-21110

CASE

SN: 25000-25000

2шт.

1A

11G-A70-3110

BOSS

SN: 25000-25000

2шт.

1B

07000-05210

O-RING (KIT)

SN: 25000-25000

2шт.

1C

01010-31230

BOLT

SN: 25000-25000

12шт.

1D

01602-01236

WASHER

SN: 25000-25000

12шт.

2

04020-01228

PIN

SN: 25001-UP

2шт.

3

01010-31640

BOLT

SN: 25001-UP

36шт.

4

01643-31645

WASHER

SN: 25001-UP

36шт.

5

113-27-21120

GASKET

SN: 25001-UP

2шт.

6

111-27-11350

COVER

SN: 25001-UP

2шт.

7

07000-05210

O-RING (KIT)

SN: 25001-UP

2шт.

8

01010-31230

BOLT

SN: 25001-UP

12шт.

9

01602-01236

WASHER

SN: 25001-UP

12шт.

10

111-27-39130

GUARD,L.H.

SN: 25001-UP

1шт.

|10

111-27-39120

GUARD,R.H.

SN: 25001-UP

1шт.

11

01010-31670

BOLT

SN: 25001-UP

10шт.

Выбрано товаров: 18