Запчасти Komatsu D31P-16 МАРКИРОВКА (ДЛЯ ЯПОН.)(№8-8778) ЧАСТИ КОРПУСА

Схема запчастей Komatsu D31P-16 - МАРКИРОВКА (ДЛЯ ЯПОН.)(№8-8778) ЧАСТИ КОРПУСА
FIT
1:1
100%

Артикул

Название

Примечание

Количество

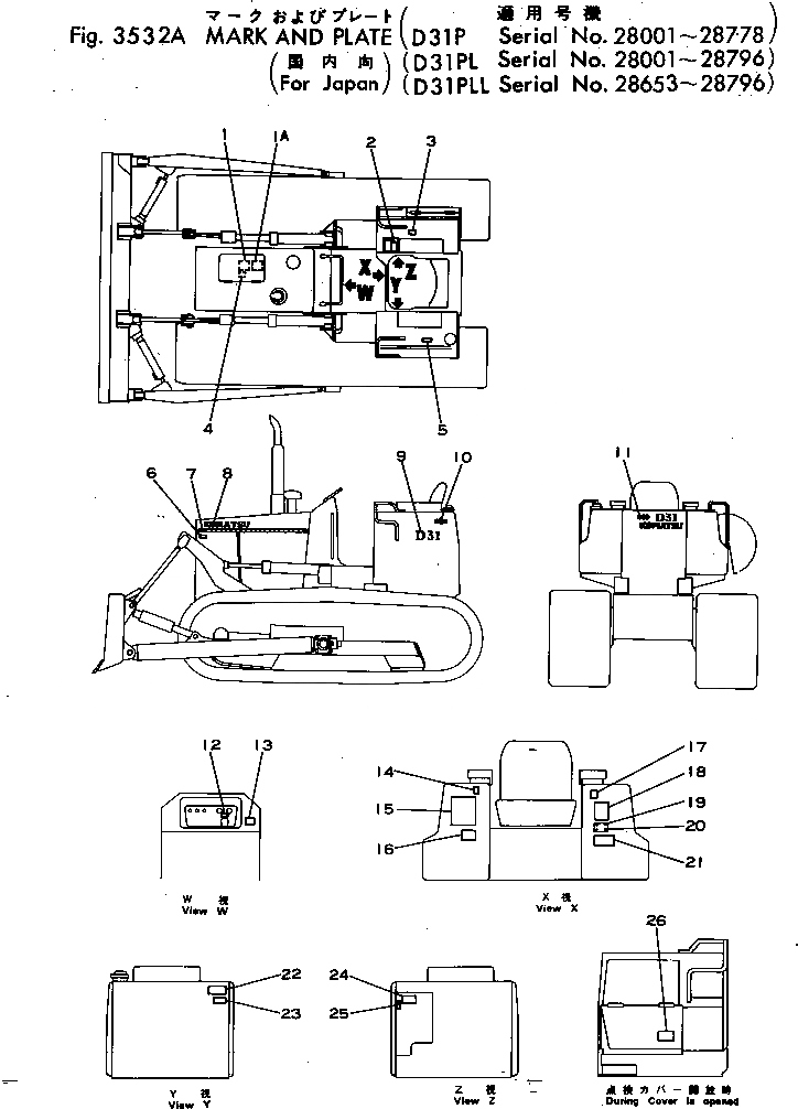
1

09650-01103

PLATE¤ INSTRUCTION,RADIATOR

SN: 28001-@

1шт.

1A

09637-00160

PLATE¤ INSTRUCTION,AIR CLEANER

SN: 28001-@

1шт.

2

09670-38070

PLATE¤ OPERATING,BLADE CONTROL LEVER

SN: 25001-@

1шт.

3

09653-13000

PLATE¤ SAFETY,HYDRAULIC TANK

SN: 28001-@

1шт.

4

09668-00100

PLATE¤ SAFETY,RADIATOR CAP

SN: 28001-@

1шт.

5

09652-01101

PLATE¤ CAUTION,FUEL TANK

SN: 28001-@

1шт.

6

09667-00100

PLATE¤ SAFETY,ENGINE COVER

SN: 28001-@

1шт.

7

113-98-21220

PLATE¤ STRIPE

SN: 28001-@

2шт.

8

09690-00450

PLATE¤ MARK,KOMATSU

SN: 25001-@

2шт.

9

11G-98-21120

PLATE¤ MARK,D31P

SN: 25001-@

2шт.

|9

11G-98-21170

PLATE¤ MARK,D31PL

SN: 25000-25000

2шт.

|9

11G-98-21210

PLATE¤ MARK,D31PLL

SN: 25000-25000

2шт.

10

09694-00140

PLATE¤ MARK

SN: 25001-@

2шт.

11

09692-02314

PLATE¤ MARK,D31P

SN: 28001-@

1шт.

|11

09692-46318

PLATE¤ MARK,D31PL

SN: 25000-25000

1шт.

|11

09692-A231G

PLATE¤ MARK,D31PLL

SN: 25000-25000

1шт.

12

09683-01060

PLATE¤ OPERATING,STARTING SWITCH

SN: 28001-@

1шт.

13

09651-00100

PLATE¤ SAFETY,BEFORE OPERATING

SN: 28001-@

1шт.

14

09685-00116

PLATE¤ OPERATING,BLADE LEVER LOCK

SN: 28001-@

1шт.

15

11G-98-21132

CHART¤ OIL

SN: 28001-@

1шт.

16

09173-00100

PLATE¤ SAFETY,INSPECTION AND MAINTENANCE

SN: 28001-@

1шт.

17

09685-00116

PLATE¤ OPERATING,TRANSMISSION LEVER LOCK

SN: 28001-@

1шт.

18

11G-98-21141

PLATE¤ DATA,(P)

SN: 28001-@

1шт.

|18

11G-98-21191

PLATE¤ DATA,(PL)

SN: 25000-25000

1шт.

|18

11G-98-21220

PLATE¤ DATA,(PLL)

SN: 25000-25000

1шт.

19

09601-00835

PLATE¤ NAME,(LIMITED SUPPLY)

SN: 28001-@

1шт.

20

04418-13060

SCREW

SN: 25001-@

4шт.

21

09657-00110

PLATE¤ SAFETY,TRACK SHOE ADJUSTING

SN: 28001-@

1шт.

22

113-98-21280

PLATE¤ CAUTION,ENGINE STOPPED

SN: 25001-28778

1шт.

23

113-98-21270

PLATE¤ OPERATING,INTAKE AIR HEATER

SN: 28001-28778

1шт.

24

09654-00100

PLATE¤ SAFETY,STARTING AND LEAVING SEAT

SN: 28001-@

1шт.

25

09685-00016

PLATE¤ OPERATING,PARKING BRAKE

SN: 28001-@

1шт.

26

113-98-21250

PLATE¤ CAUTION,OIL FILTER

SN: 28001-@

1шт.

Выбрано товаров: 33