Запчасти Komatsu D31P-16A МАРКИРОВКА (АНГЛ.)(№87-) ЧАСТИ КОРПУСА

Схема запчастей Komatsu D31P-16A - МАРКИРОВКА (АНГЛ.)(№87-) ЧАСТИ КОРПУСА
FIT
1:1
100%

Артикул

Название

Примечание

Количество

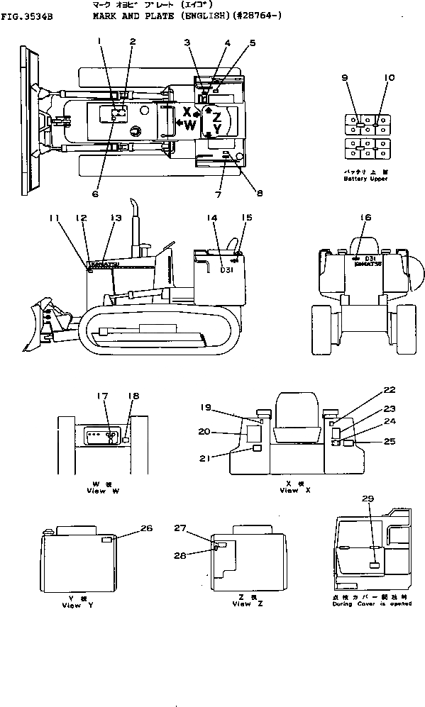
1

09650-30103

PLATE, INSTRUCTION,RADIATOR WATER LEVEL

SN: 28001-UP

1шт.

2

09637-30160

PLATE, INSTRUCTION,AIR CLEANER

SN: 28001-UP

1шт.

3

114-98-21150

PLATE, OPERATING,ANGLE LEVER

SN: 25001-UP

1шт.

4

09670-38070

PLATE, OPERATING,LIFT AND TILT LEVER

SN: 25001-UP

1шт.

5

09653-03000

PLATE, SAFETY,HYDRAULIC TANK CAP

SN: 28001-UP

1шт.

6

09668-03000

PLATE, SAFETY,RADIATOR CAP

SN: 28001-UP

1шт.

7

09652-30101

PLATE, CAUTION,FUEL TANK WATER DRAIN

SN: 28001-UP

1шт.

8

09656-30080

PLATE, INSTRUCTION,ADDITIONAL FUEL STRAINER

SN: 28001-UP

1шт.

9

09664-30081

PLATE, INSTRUCTION,BATTERY MAKER PLATE USA SPEC.

SN: 28001-UP

2шт.

10

09664-30065

PLATE, INSTRUCTION,BATTERY DISTRIBUTOR USA SPEC.

SN: 25001-UP

2шт.

11

09667-03000

PLATE, SAFETY,ENGINE COVER

SN: 28001-UP

1шт.

12

113-98-21220

PLATE, STRIPE

SN: 28001-UP

2шт.

13

09690-00450

PLATE, MARK,KOMATSU

SN: 25001-UP

2шт.

14

11G-98-21120

PLATE, MARK,D31P

SN: 25001-UP

2шт.

15

09694-00140

PLATE, MARK,SYMBOL

SN: 25001-UP

2шт.

16

09692-02314

PLATE, MARK

SN: 28001-UP

1шт.

17

09683-30060

PLATE, OPERATING,STARTING SWITCH

SN: 28001-UP

1шт.

18

09651-03000

PLATE, SAFETY,BEFORE OPERATING

SN: 28001-UP

1шт.

19

09685-30116

PLATE, OPERATING,LIFT AND TILT LEVER LOCK

SN: 25001-UP

1шт.

20

114-98-21332

CHART, OIL

SN: 28001-UP

1шт.

21

09173-03000

PLATE, SAFETY,INSPECTION AND MAINTENANCE

SN: 28001-UP

1шт.

22

09685-30116

PLATE, OPERATING,MISSION LEVER LOCK

SN: 28001-UP

1шт.

23

6130-82-4921

PLATE, CAUTION,RIBBON HEATER

SN: 28764-UP

1шт.

24

09601-00835

PLATE, NAME,(LIMITED SUPPLY)

SN: 28001-UP

1шт.

24

04418-13060

SCREW

SN: 25001-UP

4шт.

25

09657-03010

PLATE, SAFETY,TRACK SHOE ADJUSTING

SN: 28001-UP

1шт.

26

09649-03001

PLATE, INSTRUCTION,ENGINE STOPPED

SN: 28764-UP

1шт.

27

09654-03000

PLATE, SAFETY,WARNING

SN: 28001-UP

1шт.

28

09685-30016

PLATE, OPERATING,PARKING BRAKE LEVER

SN: 25001-UP

1шт.

29

113-98-21351

PLATE, CAUTION,HYD. FILTER

SN: 28001-UP

1шт.

Выбрано товаров: 30