Запчасти Komatsu D31P-16A МАРКИРОВКА (ПОРТУГАЛ.)(№8-87) ЧАСТИ КОРПУСА

Схема запчастей Komatsu D31P-16A - МАРКИРОВКА (ПОРТУГАЛ.)(№8-87) ЧАСТИ КОРПУСА
FIT
1:1
100%

Артикул

Название

Примечание

Количество

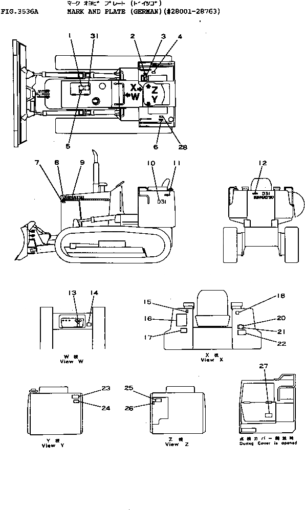
1

09650-21103

PLATE, INSTRUCTION,RADIATOR WATER LEVEL

SN: 28001-@

1шт.

2

114-98-21150

PLATE, OPERATING,ANGLE LEVER

SN: 28001-@

1шт.

3

09670-20070

PLATE, OPERATING,LIFT AND TILT LEVER

SN: 28001-@

1шт.

4

09653-02000

PLATE, SAFETY,HYDRAULIC TANK CAP

SN: 28001-@

1шт.

5

09668-02000

PLATE, SAFETY,RADIATOR CAP

SN: 28001-@

1шт.

6

09652-21101

PLATE, CAUTION,FUEL TANK WATER DRAIN

SN: 28001-@

1шт.

7

09667-02000

PLATE, SAFETY,ENGINE COVER

SN: 28001-@

1шт.

8

113-98-21220

PLATE, STRIPE

SN: 28001-@

2шт.

9

09690-00450

PLATE, MARK,KOMATSU

SN: 25001-@

2шт.

10

11G-98-21120

PLATE, MARK,D31P

SN: 25001-@

2шт.

11

09694-00140

PLATE, MARK,SYMBOL

SN: 25001-@

2шт.

12

09692-02314

PLATE, MARK

SN: 28001-@

1шт.

13

09683-21060

PLATE, OPERATING,STARTING SWITCH

SN: 28001-@

1шт.

14

09651-02000

PLATE, SAFETY,BEFORE OPERATING

SN: 28001-@

1шт.

15

09685-20116

PLATE, OPERATING,LIFT AND TILT LEVER LOCK

SN: 25001-@

1шт.

16

114-98-21532

CHART, OIL

SN: 28001-@

1шт.

17

09173-02000

PLATE, SAFETY,INSPECTION AND MAINTENANCE

SN: 28001-@

1шт.

18

09685-20116

PLATE, OPERATING,MISSION LEVER LOCK

SN: 28001-@

1шт.

20

09601-20835

PLATE, NAME,(LIMITED SUPPLY)

SN: 28001-@

1шт.

21

04418-13060

SCREW

SN: 28001-@

4шт.

22

09657-02010

PLATE, SAFETY,TRACK SHOE ADJUSTING

SN: 28001-@

1шт.

23

113-98-21582

PLATE, CAUTION,ENGINE STOPPED

SN: 28001-28763

1шт.

24

113-98-21572

PLATE, OPERATING,INTAKE AIR HEATER

SN: 28001-28763

1шт.

25

09654-02000

PLATE, SAFETY,WARNING

SN: 28001-@

1шт.

26

09685-20016

PLATE, OPERATING,PARKING BRAKE LEVER

SN: 25001-@

1шт.

27

113-98-21553

PLATE, CAUTION,HYD. FILTER

SN: 28001-@

1шт.

28

09656-21080

PLATE, INSTRUCTION,ADDITIONAL FUEL STRAINER

SN: 28001-@

1шт.

31

09637-81160

PLATE, INSTRUCTION,AIR CLEANER

SN: 28001-@

1шт.

Выбрано товаров: 28