Запчасти Komatsu D31P-16A МАРКИРОВКА (АРАБСК.)(№-8) ЧАСТИ КОРПУСА

Схема запчастей Komatsu D31P-16A - МАРКИРОВКА (АРАБСК.)(№-8) ЧАСТИ КОРПУСА
FIT
1:1
100%

Артикул

Название

Примечание

Количество

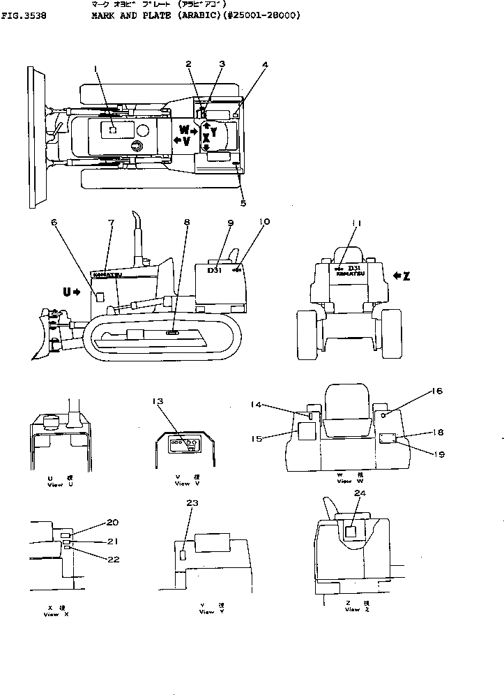
1

113-98-21760

PLATE, INSTRUCTION,RADIATOR

SN: 25001-@

1шт.

2

114-98-21151

PLATE, OPERATING,ANGLE LEVER

SN: 25001-@

1шт.

3

09670-02070

PLATE, OPERATING,LIFT AND TILT LEVER

SN: 25001-@

1шт.

4

09653-02080

PLATE, SAFETY,HYDRAULIC TANK

SN: 25001-28000

1шт.

5

09652-02101

PLATE, CAUTION,FUEL TANK WATER DRAIN

SN: 25001-28000

1шт.

6

114-98-21760

PLATE, SAFETY,ANGLE CYLINDER

SN: 25001-28000

1шт.

7

09690-80450

PLATE, MARK,KOMATSU

SN: 25001-@

2шт.

8

09657-02125

PLATE, SAFETY,TRACK SHOE ADJUSTING

SN: 25001-28000

2шт.

9

11G-98-21120

PLATE, MARK,D31P

SN: 25001-@

2шт.

10

09694-00140

PLATE, MARK,SYMBOL

SN: 25001-@

2шт.

11

09692-83314

PLATE, MARK

SN: 25001-28000

1шт.

13

09683-02060

PLATE, OPERATING,STARTING SWITCH

SN: 25001-28000

1шт.

14

09685-02116

PLATE, OPERATING,LIFT AND TILT LEVER LOCK

SN: 25001-28000

1шт.

15

114-98-21730

CHART, OIL

SN: 25001-28000

1шт.

16

09685-02116

PLATE, OPERATING,MISSION LEVER LOCK

SN: 25001-28000

1шт.

18

114-98-21710

PLATE, NAME,(LIMITED SUPPLY)

SN: 25001-28000

1шт.

19

04418-13060

SCREW

SN: 25001-@

4шт.

20

113-98-21781

PLATE, CAUTION,ENGINE STOPPED

SN: 25001-28000

1шт.

21

113-98-21771

PLATE, OPERATING,INTAKE AIR HEATER

SN: 25001-28000

1шт.

22

09654-02061

PLATE, SAFETY,WARNING

SN: 25001-28000

1шт.

23

09685-02016

PLATE, OPERATING,PARKING BRAKE LEVER

SN: 25001-@

1шт.

24

113-98-21751

PLATE, CAUTION,HYDRAULIC FILTER

SN: 25001-28000

1шт.

Выбрано товаров: 22