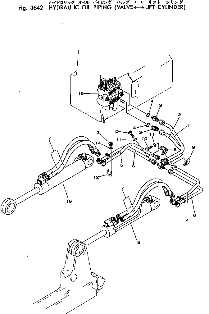
Запчасти Komatsu D31P-16A ГИДРАВЛ МАСЛОПРОВОДЯЩАЯ ЛИНИЯ (КЛАПАН - ГИДРОЦИЛИНДР ПОДЪЕМА) УПРАВЛ-Е РАБОЧИМ ОБОРУДОВАНИЕМ

Схема запчастей Komatsu D31P-16A - ГИДРАВЛ МАСЛОПРОВОДЯЩАЯ ЛИНИЯ (КЛАПАН - ГИДРОЦИЛИНДР ПОДЪЕМА) УПРАВЛ-Е РАБОЧИМ ОБОРУДОВАНИЕМ
FIT
1:1
100%

Артикул

Название

Примечание

Количество

1

113-62-22110

TUBE

SN: 25001-UP

1шт.

2

113-62-22210

TUBE

SN: 25001-UP

1шт.

3

07230-10628

UNION

SN: 25001-UP

2шт.

4

07002-12434

O-RING

SN: 25001-UP

2шт.

5

114-62-22111

TUBE,L.H.

SN: 28001-UP

1шт.

5

114-62-22110

TUBE,L.H.

SN: 25001-28000

1шт.

5

114-62-22121

TUBE,R.H.

SN: 28001-UP

1шт.

5

114-62-22120

TUBE,R.H.

SN: 25001-28000

1шт.

6

114-62-22211

TUBE,L.H.

SN: 28001-UP

1шт.

6

114-62-22210

TUBE,L.H.

SN: 25001-28000

1шт.

6

114-62-22221

TUBE,R.H.

SN: 28001-UP

1шт.

6

114-62-22220

TUBE,R.H.

SN: 25001-28000

1шт.

7

07123-40406

HOSE

SN: 25001-UP

4шт.

8

113-62-22140

BRACKET

SN: 25001-UP

1шт.

9

113-62-22170

CLIP

SN: 25003-UP

1шт.

9

07284-12755

CLIP

SN: 25001-25002

1шт.

10

01010-31025

BOLT

SN: 25001-UP

3шт.

11

01602-01030

WASHER

SN: 25001-UP

3шт.

12

07283-22244

CLIP

SN: 28001-UP

4шт.

12

07283-12244

CLIP

SN: 25001-28000

4шт.

13

01599-01011

NUT

SN: 25001-UP

8шт.

14

01643-31032

WASHER

SN: 25001-UP

8шт.

15

700-83-11001

VALVE ASS'Y

SN: .-UP

1шт.

15

0

VALVE ASS'Y

SN: 25001-.

1шт.

16

114-63-00021

CYLINDER ASS'Y

SN: 28001-UP

2шт.

16

0

CYLINDER ASS'Y

SN: 25001-28000

2шт.

Выбрано товаров: 0