Запчасти Komatsu D31P-17 АККУМУЛЯТОР КОМПОНЕНТЫ ДВИГАТЕЛЯ И ЭЛЕКТРИКА

Схема запчастей Komatsu D31P-17 - АККУМУЛЯТОР КОМПОНЕНТЫ ДВИГАТЕЛЯ И ЭЛЕКТРИКА
FIT
1:1
100%

Артикул

Название

Примечание

Количество

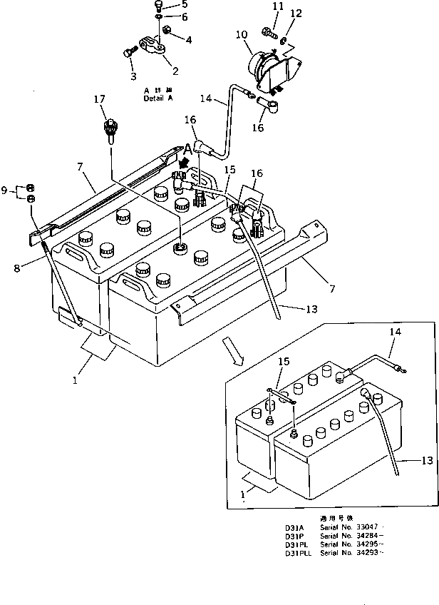
1

08000-32212

BATTERY, WET

SN: 34284-UP

2шт.

1

08000-02212

BATTERY (115F51)

SN: 32001-34283

2шт.

1

203-09-21120

BATTERY

SN: 32001-UP

2шт.

2

08000-00000

TERMINAL, (+)

SN: 32001-UP

2шт.

2

08000-00001

TERMINAL, (-)

SN: 32001-UP

2шт.

3

01010-50830

BOLT

SN: 32001-UP

1шт.

4

01580-10806

NUT

SN: 32001-UP

1шт.

5

01050-51018

BOLT

SN: 32001-UP

1шт.

6

01640-21016

WASHER

SN: 32001-UP

1шт.

7

113-06-31110

HOLDER

SN: 32001-UP

2шт.

8

113-06-31120

BOLT

SN: 32001-UP

4шт.

9

01580-11008

NUT

SN: 32001-UP

8шт.

10

08088-10000

SWITCH,BATTERY RELAY

SN: 32001-UP

1шт.

11

01010-30820

BOLT

SN: 32001-UP

2шт.

12

01602-00825

WASHER,SPRING

SN: 32001-UP

2шт.

13

113-06-21150

WIRE

SN: 32001-UP

1шт.

14

113-06-21160

WIRE

SN: 32001-UP

1шт.

15

08028-13005

CABLE

SN: 34284-UP

1шт.

15

113-06-21170

WIRE ASS'Y

SN: 32001-34283

1шт.

15

113-06-21170

WIRE ASS'Y,(COLD WEATHER (B) SPEC.)

SN: 32001-UP

1шт.

16

08038-06031

CAP

SN: 32001-UP

5шт.

17

113-06-31130

PLUG

SN: 32001-UP

1шт.

Выбрано товаров: 22