Запчасти Komatsu D31P-17A BEVEL ШЕСТЕРНЯ (ДЛЯ ТЯГОВ. ЛЕБЕДКИ) РАБОЧЕЕ ОБОРУДОВАНИЕ

Схема запчастей Komatsu D31P-17A - BEVEL ШЕСТЕРНЯ (ДЛЯ ТЯГОВ. ЛЕБЕДКИ) РАБОЧЕЕ ОБОРУДОВАНИЕ
FIT
1:1
100%

Артикул

Название

Примечание

Количество

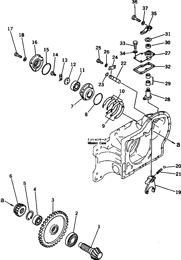
1

114-Z60-1510

PINION

SN: 32001-UP

1шт.

2

06030-21312

BEARING

SN: 32001-UP

1шт.

3

114-Z60-1450

GEAR

SN: 32001-UP

1шт.

4

114-Z60-1460

BEARING

SN: 32001-UP

1шт.

5

04064-05020

RING

SN: 32001-UP

1шт.

6

114-Z60-1470

GEAR

SN: 32001-UP

1шт.

7

114-Z60-2230

CAGE

SN: 32001-UP

1шт.

8

07000-02105

O-RING

SN: 32001-UP

1шт.

9

114-Z60-0020

SHIM ASS'Y

SN: 32001-UP

1шт.

9

0

SHIM, 0.2MM

SN: 32001-UP

2шт.

9

0

SHIM, 0.3MM

SN: 32001-UP

3шт.

9

0

SHIM, 1.0MM

SN: 32001-UP

2шт.

10

114-Z60-0010

SHIM ASS'Y

SN: 32001-UP

1шт.

10

0

SHIM, 0.2MM

SN: 32001-UP

2шт.

10

0

SHIM, 0.3MM

SN: 32001-UP

3шт.

10

0

SHIM, 1.0MM

SN: 32001-UP

2шт.

11

06030-22308

BEARING

SN: 32001-UP

1шт.

12

04080-04008

HOLDER

SN: 32001-UP

1шт.

13

04081-04012

LOCK

SN: 32001-UP

1шт.

14

01010-31022

BOLT

SN: 32001-UP

2шт.

15

07000-02100

O-RING

SN: 32001-UP

1шт.

16

114-Z60-2240

COVER

SN: 32001-UP

1шт.

17

01010-31240

BOLT

SN: 32001-UP

4шт.

18

01602-01236

WASHER

SN: 32001-UP

4шт.

19

114-Z60-2710

FORK

SN: 32001-UP

1шт.

20

04260-00952

BALL

SN: 32001-UP

1шт.

21

102-14-08210

SPRING

SN: 32001-UP

1шт.

22

114-Z60-2750

SHAFT

SN: 32001-UP

1шт.

23

07000-02020

O-RING

SN: 32001-UP

1шт.

24

114-Z60-2810

PLATE

SN: 32001-UP

1шт.

25

01010-31022

BOLT

SN: 32001-UP

2шт.

26

01602-01030

WASHER

SN: 32001-UP

2шт.

27

114-Z60-2760

COVER

SN: 32001-UP

1шт.

28

114-Z60-2720

LEVER

SN: 32001-UP

1шт.

29

06120-02820

BEARING

SN: 32001-UP

2шт.

30

07012-00028

SEAL

SN: 32001-UP

1шт.

31

01640-22740

WASHER

SN: 32001-UP

1шт.

32

114-Z60-2770

GASKET

SN: 32001-UP

1шт.

33

01010-51022

BOLT

SN: 32001-UP

6шт.

34

01602-21030

WASHER

SN: 32001-UP

6шт.

35

114-Z60-5150

LEVER

SN: 32001-UP

1шт.

36

01010-50830

BOLT

SN: 32001-UP

1шт.

37

01602-20825

WASHER

SN: 32001-UP

1шт.

Выбрано товаров: 43