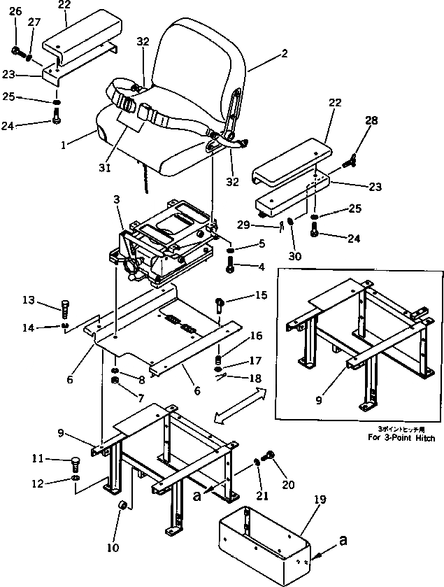
Запчасти Komatsu D31P-17A СИДЕНЬЕ ОПЕРАТОРА (МАСЛ. ДЕМПФЕР С ОТКИДН. СПИНКОЙ) ЧАСТИ КОРПУСА

Схема запчастей Komatsu D31P-17A - СИДЕНЬЕ ОПЕРАТОРА (МАСЛ. ДЕМПФЕР С ОТКИДН. СПИНКОЙ) ЧАСТИ КОРПУСА
FIT
1:1
100%

Артикул

Название

Примечание

Количество

|$0

131-57-62200

OPERATOR'S SEAT A.

SN: 32001-UP

1шт.

|$1

131-57-62300

CUSHION ASS'Y

SN: 32001-UP

1шт.

1

131-57-62110

CUSHION,SEAT

SN: 32001-UP

1шт.

2

131-57-62120

CUSHION,BACK

SN: 32001-UP

1шт.

3

131-57-63000

SUSPENSION ASS'Y

SN: 32001-UP

1шт.

4

01010-51020

BOLT

SN: 32001-UP

4шт.

5

01602-21030

WASHER

SN: 32001-UP

4шт.

6

113-57-31210

PLATE

SN: 32001-UP

1шт.

7

01580-11210

NUT

SN: 32001-UP

4шт.

8

01602-21236

WASHER

SN: 32001-UP

4шт.

|$10

113-57-00100

FRAME ASS'Y

SN: 32001-UP

1шт.

9

0

FRAME

SN: 32001-UP

1шт.

9

113-57-39120

FRAME,(FOR 3-POINT HITCH)

SN: 32001-UP

1шт.

10

09350-02020

BUSHING

SN: 32001-UP

2шт.

11

01010-51435

BOLT

SN: 32001-UP

4шт.

12

01602-21442

WASHER

SN: 32001-UP

4шт.

13

01010-51025

BOLT

SN: 32001-UP

4шт.

14

01602-21030

WASHER

SN: 32001-UP

4шт.

15

09459-00000

LOCK

SN: 32001-UP

1шт.

15

09459-11033

LOCK

SN: 32001-UP

1шт.

16

09459-01614

SPRING

SN: 32001-UP

1шт.

17

01642-01016

WASHER

SN: 32001-UP

1шт.

18

04050-13015

PIN

SN: 32001-UP

1шт.

19

113-57-31130

BOX,TOOL

SN: 32001-UP

1шт.

20

01010-51025

BOLT

SN: 32001-UP

4шт.

21

01602-21030

WASHER

SN: 32001-UP

4шт.

22

144-57-11150

REST,ARM

SN: 32001-UP

2шт.

23

113-57-31140

COVER,L.H.

SN: 32001-UP

1шт.

23

113-57-31150

COVER,R.H.

SN: 32001-UP

1шт.

24

01010-50820

BOLT

SN: 32001-UP

4шт.

25

01602-20825

WASHER

SN: 32001-UP

4шт.

26

01010-51025

BOLT

SN: 32001-UP

2шт.

27

01602-21030

WASHER

SN: 32001-UP

2шт.

28

01434-10830

BOLT, WING,WING

SN: 32001-UP

1шт.

29

04050-12015

PIN,COTTER

SN: 32001-UP

1шт.

30

01642-20810

WASHER

SN: 32001-UP

1шт.

31

09409-10001

BELT, LAP

SN: 32001-UP

1шт.

31

120-57-31711

BELT,LAP (2 INCH)

SN: 32001-UP

1шт.

32

09409-20000

BELT, TETHER

SN: 32001-UP

2шт.

Выбрано товаров: 39