Запчасти Komatsu D31P-17A КАБИНА ROPS (/) ЧАСТИ КОРПУСА

Схема запчастей Komatsu D31P-17A - КАБИНА ROPS (/) ЧАСТИ КОРПУСА
FIT
1:1
100%

Артикул

Название

Примечание

Количество

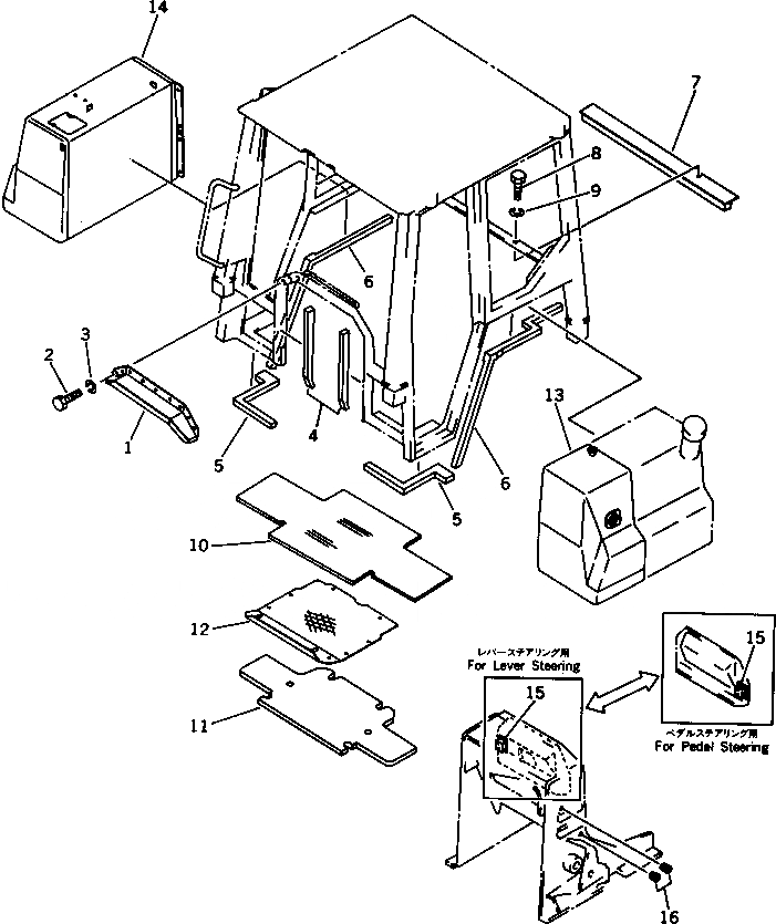
1

114-Y79-1710

SEAL,FRONT

SN: 32001-UP

1шт.

2

01010-50616

BOLT

SN: 32001-UP

9шт.

3

01602-20619

WASHER

SN: 32001-UP

9шт.

4

114-Y79-1830

SEAL

SN: 32001-UP

2шт.

5

113-Y79-1841

SEAL

SN: 32001-UP

2шт.

6

113-Y79-1741

SEAL,L.H.

SN: 32001-UP

1шт.

6

113-Y79-1751

SEAL,R.H.

SN: 32001-UP

1шт.

7

113-Y79-1761

SEAL,REAR

SN: 32001-UP

1шт.

8

01010-51025

BOLT

SN: 32001-UP

5шт.

9

01602-21030

WASHER

SN: 32001-UP

5шт.

10

113-Y79-1991

MAT

SN: 32001-UP

1шт.

11

113-Y79-1981

MAT

SN: 32001-UP

1шт.

12

113-54-39170

PLATE

SN: 32001-UP

1шт.

13

113-54-39180

TANK

SN: 32001-UP

1шт.

14

113-54-39190

CASE

SN: 32001-UP

1шт.

15

125-06-21110

BOX,FUSE

SN: 32001-UP

1шт.

16

07049-01418

PLUG

SN: 32001-UP

2шт.

Выбрано товаров: 17