Запчасти Komatsu D31P-17A МАРКИРОВКА (ЯПОН.) МАРКИРОВКА¤ ИНСТРУМЕНТ И РЕМКОМПЛЕКТЫ

Схема запчастей Komatsu D31P-17A - МАРКИРОВКА (ЯПОН.) МАРКИРОВКА¤ ИНСТРУМЕНТ И РЕМКОМПЛЕКТЫ
FIT
1:1
100%

Артикул

Название

Примечание

Количество

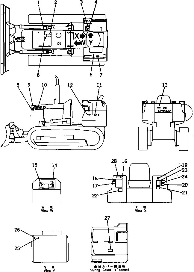
1

09650-01103

PLATE¤ INSTRUCTION,RADIATOR

SN: 32001-UP

1шт.

2

09637-00161

PLATE¤ INSTRUCTION,AIR CLEANER

SN: 32001-UP

1шт.

3

114-98-21150

PLATE¤ OPERATING,ANGLE LEVER

SN: 32001-UP

1шт.

4

09670-00004

PLATE¤ OPERATING,BLADE LEVER

SN: 32001-UP

1шт.

5

09653-00100

PLATE¤ SAFETY,HYDRAULIC TANK

SN: 32001-UP

1шт.

6

09668-00100

PLATE¤ SAFETY,RADIATOR

SN: 32001-UP

1шт.

7

09652-01101

PLATE¤ CAUTION,FUEL TANK

SN: 32001-UP

1шт.

8

09667-00100

PLATE¤ SAFETY,ENGINE COVER

SN: 32001-UP

1шт.

9

113-98-21220

PLATE¤ STRIPE

SN: 32001-UP

2шт.

10

09690-00450

PLATE¤ MARK

SN: 32001-UP

2шт.

11

11G-98-21121

PLATE¤ MARK

SN: 32001-UP

2шт.

12

09694-00140

PLATE¤ MARK

SN: 32001-UP

2шт.

13

09692-02314

PLATE¤ MARK

SN: 32001-UP

1шт.

14

09683-01060

PLATE¤ OPERATING,STARTING SWITCH

SN: 32001-UP

1шт.

15

09651-00100

PLATE¤ SAFETY,BEFORE OPERATING

SN: 32001-UP

1шт.

16

09685-00002

PLATE¤ OPERATING,BLADE LEVER LOCK

SN: 32001-UP

1шт.

17

114-98-31120

CHART¤ OIL

SN: 32001-UP

1шт.

18

09173-00100

PLATE¤ SAFETY

SN: 32001-UP

1шт.

19

09685-00002

PLATE¤ OPERATING,MISSION LEVER LOCK

SN: 32001-UP

1шт.

20

113-98-21270

PLATE¤ OPERATING,INTAKE AIR HEATER SWITCH

SN: 32001-UP

1шт.

21

09601-00835

PLATE¤ NAME,(LIMITED SUPPLY)

SN: 32001-UP

1шт.

|21

04418-13060

SCREW

SN: 32001-UP

4шт.

22

09657-00110

PLATE¤ SAFETY,TRACK SHOE ADJUSTING

SN: 32001-UP

1шт.

23

11G-98-32110

PLATE

SN: 32001-UP

1шт.

24

09649-00101

PLATE¤ INSTRUCTION,ENGINE STOPPED

SN: 32001-UP

1шт.

25

09654-00100

PLATE¤ SAFETY,WARNING

SN: 32001-UP

1шт.

26

09685-00001

PLATE¤ OPERATING,PARKING BRAKE

SN: 32001-UP

1шт.

27

103-98-21250

PLATE¤ CAUTION,OIL FILTER

SN: 32001-UP

1шт.

28

6130-81-9910

PLATE¤ CAUTION,ENGINE OIL (FOR COLD WEATHER)

SN: 32001-UP

1шт.

Выбрано товаров: 29