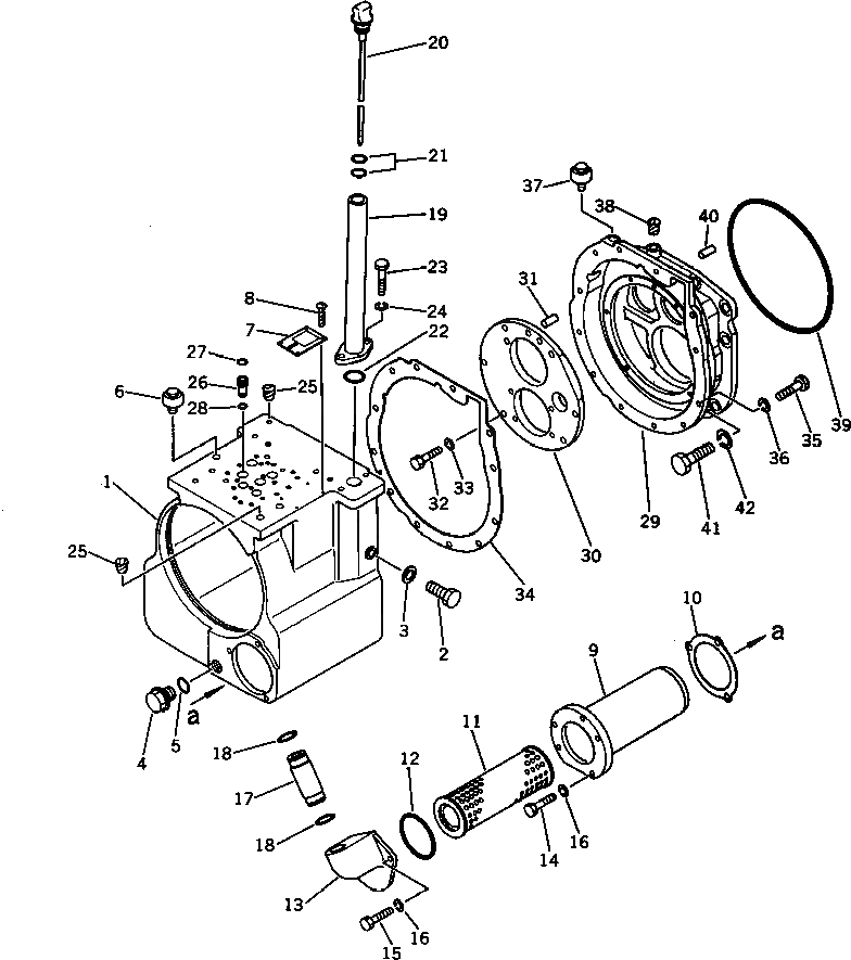
Запчасти Komatsu D31P-17A КОРПУС ТРАНСМИССИИ ДЕМПФЕР И ТРАНСМИССИЯ

Схема запчастей Komatsu D31P-17A - КОРПУС ТРАНСМИССИИ ДЕМПФЕР И ТРАНСМИССИЯ
FIT
1:1
100%

Артикул

Название

Примечание

Количество

|1

113-15-00401

TRANSMISSION ASS'Y

SN: 33830-UP

1шт.

|1

0

TRANSMISSION ASS'Y

SN: 32001-33829

1шт.

1

113-15-21110

CASE

SN: 32001-UP

1шт.

2

01010-51465

BOLT

SN: 32001-UP

2шт.

3

01640-21426

WASHER

SN: 32001-UP

2шт.

4

07044-12412

PLUG

SN: 32001-UP

1шт.

5

07002-02434

O-RING (KIT)

SN: 32001-UP

1шт.

6

07030-00252

BREATHER

SN: 32001-UP

1шт.

7

09608-05080

PLATE¤ NAME

SN: 32001-UP

1шт.

8

04418-03060

SCREW

SN: 32001-UP

4шт.

9

113-15-21711

CASE

SN: 32001-UP

1шт.

10

113-15-21720

GASKET (KIT)

SN: 32001-UP

1шт.

11

113-15-21730

SCREEN

SN: 32001-UP

1шт.

12

07000-72095

O-RING (KIT)

SN: 32001-UP

1шт.

13

113-15-21751

COVER

SN: 32001-UP

1шт.

14

01010-50825

BOLT

SN: 32001-UP

3шт.

15

01010-50820

BOLT

SN: 32001-UP

2шт.

16

01602-20825

WASHER

SN: 32001-UP

5шт.

17

103-15-21760

SLEEVE

SN: 32001-UP

1шт.

18

07000-73028

O-RING (KIT)

SN: 32001-UP

2шт.

19

113-15-38111

FILLER

SN: 32001-UP

1шт.

20

113-21-31260

GAUGE

SN: 32001-UP

1шт.

21

07000-03022

O-RING (KIT)

SN: 32001-UP

2шт.

22

07000-03035

O-RING (KIT)

SN: 32001-UP

1шт.

23

01010-51030

BOLT

SN: 32001-UP

2шт.

24

01602-21030

WASHER

SN: 32001-UP

2шт.

25

07049-01215

PLUG

SN: 32001-UP

2шт.

26

113-15-21310

SLEEVE

SN: 32001-UP

6шт.

27

07000-72012

O-RING (KIT)

SN: 32001-UP

6шт.

28

07000-72010

O-RING (KIT)

SN: 32001-UP

6шт.

|29

113-15-00530

CASE ASS'Y

SN: 32001-UP

1шт.

29

0

CASE

SN: 32001-UP

1шт.

30

0

COVER

SN: 32001-UP

1шт.

31

04020-01024

PIN

SN: 32001-UP

1шт.

32

01010-51025

BOLT

SN: 32001-UP

6шт.

33

01602-21030

WASHER

SN: 32001-UP

6шт.

34

113-15-21120

GASKET (KIT)

SN: 32001-UP

1шт.

35

01010-51030

BOLT

SN: 32001-UP

12шт.

36

01602-21030

WASHER

SN: 32001-UP

12шт.

37

07030-00252

BREATHER

SN: 32001-UP

1шт.

38

07049-01215

PLUG

SN: 32001-UP

1шт.

39

07000-05280

O-RING (KIT)

SN: 32001-UP

1шт.

40

04020-01228

PIN

SN: 32001-UP

1шт.

41

01010-51435

BOLT

SN: 32001-UP

10шт.

42

01602-21442

WASHER

SN: 32001-UP

10шт.

Выбрано товаров: 45