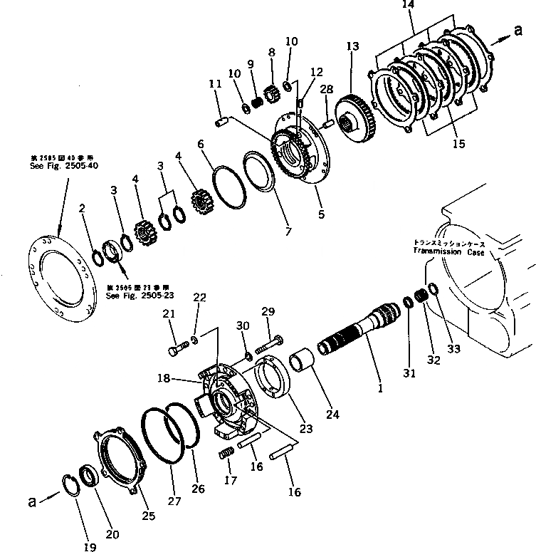
Запчасти Komatsu D31P-17A 2 КОЖУХ ДЕМПФЕР И ТРАНСМИССИЯ

Схема запчастей Komatsu D31P-17A - 2 КОЖУХ ДЕМПФЕР И ТРАНСМИССИЯ
FIT
1:1
100%

Артикул

Название

Примечание

Количество

|1

113-15-00401

TRANSMISSION ASS'Y

SN: 33830-UP

1шт.

|1

0

TRANSMISSION ASS'Y

SN: 32001-33829

1шт.

1

113-15-32121

SHAFT

SN: 33830-UP

1шт.

|1

0

SHAFT

SN: 32001-33829

1шт.

|$$5

(113-15-32121{113-15-39120¤}

-1шт.

|$$6

113-15-22112)

-1шт.

2

04064-03515

RING

SN: 32001-UP

1шт.

3

04064-04018

RING

SN: 32001-UP

3шт.

4

113-15-22231

GEAR¤ 36 TEETH

SN: 32001-UP

2шт.

5

113-15-32330

CARRIER

SN: 32001-UP

1шт.

6

113-15-22930

RING

SN: 32001-UP

1шт.

7

113-15-22380

COVER

SN: 32001-UP

1шт.

8

113-15-22420

GEAR¤ 18 TEETH

SN: 32001-UP

3шт.

9

113-15-29410

BEARING

SN: 32001-UP

3шт.

10

113-15-22560

WASHER

SN: 32001-UP

6шт.

11

113-15-22511

SHAFT

SN: 32001-UP

3шт.

12

113-15-29560

PIN

SN: 32001-UP

3шт.

13

113-15-32270

HUB

SN: 32001-UP

1шт.

14

113-15-22750

PLATE

SN: 32001-UP

4шт.

15

113-15-22741

DISC

SN: 32001-UP

3шт.

16

113-15-31280

PIN

SN: 32001-UP

10шт.

17

113-15-22920

SPRING

SN: 32001-UP

5шт.

18

113-15-32340

HOUSING

SN: 32001-UP

1шт.

19

04065-06825

RING

SN: 32001-UP

1шт.

20

06000-06008

BEARING

SN: 32001-UP

1шт.

21

01010-30825

BOLT

SN: 32001-UP

2шт.

22

01602-00825

WASHER

SN: 32001-UP

2шт.

23

113-15-32390

COLLAR

SN: 32001-UP

1шт.

24

113-15-22160

SPACER

SN: 32001-UP

1шт.

25

113-15-32780

PISTON

SN: 32001-UP

1шт.

26

113-15-39210

RING (KIT)

SN: 32001-UP

1шт.

27

287-15-19210

RING (KIT)

SN: 32001-UP

1шт.

28

04020-01024

PIN

SN: 32001-UP

2шт.

29

01010-60855

BOLT

SN: 32001-UP

10шт.

30

01602-00825

WASHER

SN: 32001-UP

10шт.

31

113-15-39120

SEAL

SN: 33830-UP

1шт.

|31

0

SEAL (KIT)

SN: 32001-33829

1шт.

|$$38

(113-15-39120{113-15-32121¤}

-1шт.

|$$39

113-15-22112)

-1шт.

32

113-15-29440

BEARING

SN: 32001-UP

1шт.

33

113-15-29520

RING

SN: 32001-UP

1шт.

Выбрано товаров: 41