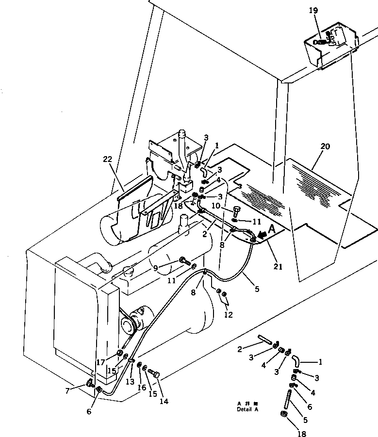
Запчасти Komatsu D31P-17A ОБОГРЕВАТЕЛЬ. (ДЛЯ СТАЛЬНАЯ КАБИНА) (/) ЧАСТИ КОРПУСА

Схема запчастей Komatsu D31P-17A - ОБОГРЕВАТЕЛЬ. (ДЛЯ СТАЛЬНАЯ КАБИНА) (/) ЧАСТИ КОРПУСА
FIT
1:1
100%

Артикул

Название

Примечание

Количество

1

09483-20450

HOSE

SN: 32001-UP

2шт.

2

09483-00408

HOSE

SN: 32001-UP

1шт.

3

09480-10100

CLAMP

SN: 32001-UP

6шт.

4

09484-00450

CONNECTOR

SN: 32001-UP

3шт.

5

09483-00416

HOSE

SN: 32001-UP

1шт.

6

09480-10100

CLAMP

SN: 32001-UP

2шт.

7

20R-54-19120

JOINT

SN: 32001-UP

1шт.

8

175-06-36150

CLIP

SN: 32001-UP

3шт.

9

01010-51055

BOLT

SN: 32001-UP

1шт.

10

01010-51020

BOLT

SN: 32001-UP

2шт.

11

01602-21030

WASHER

SN: 32001-UP

3шт.

12

130-901-2250

COLLAR

SN: 32001-UP

2шт.

13

12S-49-15150

CLIP

SN: 32001-UP

1шт.

14

01010-51445

BOLT

SN: 32001-UP

1шт.

15

01602-21442

WASHER

SN: 32001-UP

2шт.

16

01643-31445

WASHER

SN: 32001-UP

1шт.

17

01580-11411

NUT

SN: 32001-UP

1шт.

18

08037-02512

GROMMET

SN: 32001-UP

2шт.

19

113-899-7841

SWITCH

SN: 32001-UP

1шт.

20

113-Y79-3210

MAT

SN: 32001-UP

1шт.

21

113-54-39171

PLATE,(MODIFIED PARTS)

SN: 32001-UP

1шт.

22

113-01-39110

BRACKET,(MODIFIED PARTS)

SN: 32001-UP

1шт.

Выбрано товаров: 22