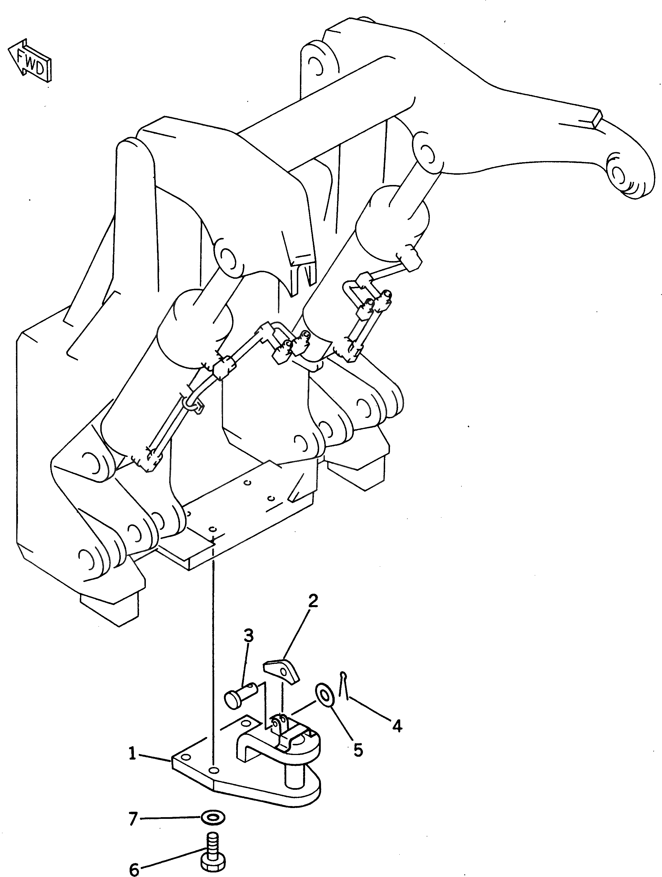
Запчасти Komatsu D31P-18 СЦЕПНОЕ УСТРОЙСТВО (ДЛЯ -POINT СЦЕПКА) РАБОЧЕЕ ОБОРУДОВАНИЕ

Схема запчастей Komatsu D31P-18 - СЦЕПНОЕ УСТРОЙСТВО (ДЛЯ -POINT СЦЕПКА) РАБОЧЕЕ ОБОРУДОВАНИЕ
FIT
1:1
100%

Артикул

Название

Примечание

Количество

|1

11J-Y54-0010

DRAWBAR ASS'Y

SN: 40001-UP

1шт.

1

0

DRAWBAR

SN: 40001-UP

1шт.

2

09249-00009

LATCH

SN: 40001-UP

1шт.

3

04205-00825

PIN

SN: 40001-UP

1шт.

4

04050-02012

PIN,COTTER

SN: 40001-UP

1шт.

5

01641-20812

WASHER

SN: 40001-UP

1шт.

6

01010-52055

BOLT

SN: 40001-UP

4шт.

7

01643-32060

WASHER

SN: 40001-UP

4шт.

Выбрано товаров: 8