Запчасти Komatsu D31P-18A ТРАНСМИССИЯ (НАСОС) (7/7) ДЕМПФЕР¤ ТРАНСМИССИЯ¤ РУЛЕВ. УПРАВЛЕНИЕ И КОНЕЧНАЯ ПЕРЕДАЧА

Схема запчастей Komatsu D31P-18A - ТРАНСМИССИЯ (НАСОС) (7/7) ДЕМПФЕР¤ ТРАНСМИССИЯ¤ РУЛЕВ. УПРАВЛЕНИЕ И КОНЕЧНАЯ ПЕРЕДАЧА
FIT
1:1
100%

Артикул

Название

Примечание

Количество

|$0

114-15-00033

TRANSMISSION ASS'Y

SN: 42967-UP

1шт.

|$1

0

TRANSMISSION ASS'Y

SN: 41337-42966

1шт.

|$2

0

TRANSMISSION ASS'Y

SN: 40279-41336

1шт.

|$3

0

TRANSMISSION ASS'Y

SN: 40001-40278

1шт.

|$$5

THESE ASSEMBLIES CONSIST OF ALL PARTS SHOWN IN FIGS.2501 TO 2561.

-1шт.

|$5

114-15-00313

TRANSMISSION ASS'Y

SN: 42967-UP

1шт.

|$6

113-15-00611

TRANSMISSION ASS'Y

SN: 41337-42966

1шт.

|$7

113-15-00610

TRANSMISSION ASS'Y

SN: 40001-41336

1шт.

|$$9

THESE ASSEMBLIES CONSIST OF ALL PARTS SHOWN IN FIGS.2501 TO 2505 AND 2507.

-1шт.

|$9

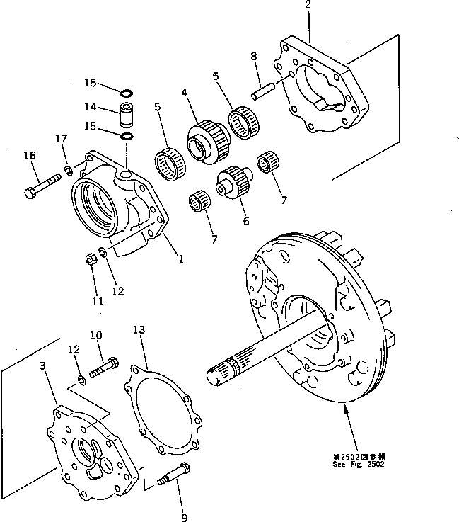
113-15-00470

PUMP ASS'Y

SN: 40001-UP

1шт.

1

113-15-24810

HOUSING

SN: 40001-UP

1шт.

2

113-15-24820

CASE

SN: 40001-UP

1шт.

3

113-15-34830

BRACKET

SN: 40001-UP

1шт.

4

113-15-24840

GEAR

SN: 40001-UP

1шт.

5

113-15-29420

BEARING

SN: 40001-UP

2шт.

6

113-15-24850

GEAR

SN: 40001-UP

1шт.

7

113-15-29460

BEARING

SN: 40001-UP

2шт.

8

113-15-24880

PIN,DOWEL

SN: 40001-UP

1шт.

9

113-15-24870

BOLT

SN: 40001-UP

1шт.

10

01010-50845

BOLT

SN: 40001-UP

3шт.

11

01580-10806

NUT

SN: 40001-UP

1шт.

12

01602-20825

WASHER,SPRING

SN: 40001-UP

4шт.

13

113-15-24860

GASKET (K1)

SN: 40001-UP

1шт.

14

103-15-31770

SLEEVE

SN: 40001-UP

1шт.

15

07000-72014

O-RING (K1)

SN: 40001-UP

2шт.

16

01010-50855

BOLT

SN: 40001-UP

7шт.

17

01602-20825

WASHER,SPRING

SN: 40001-UP

7шт.

Выбрано товаров: 27