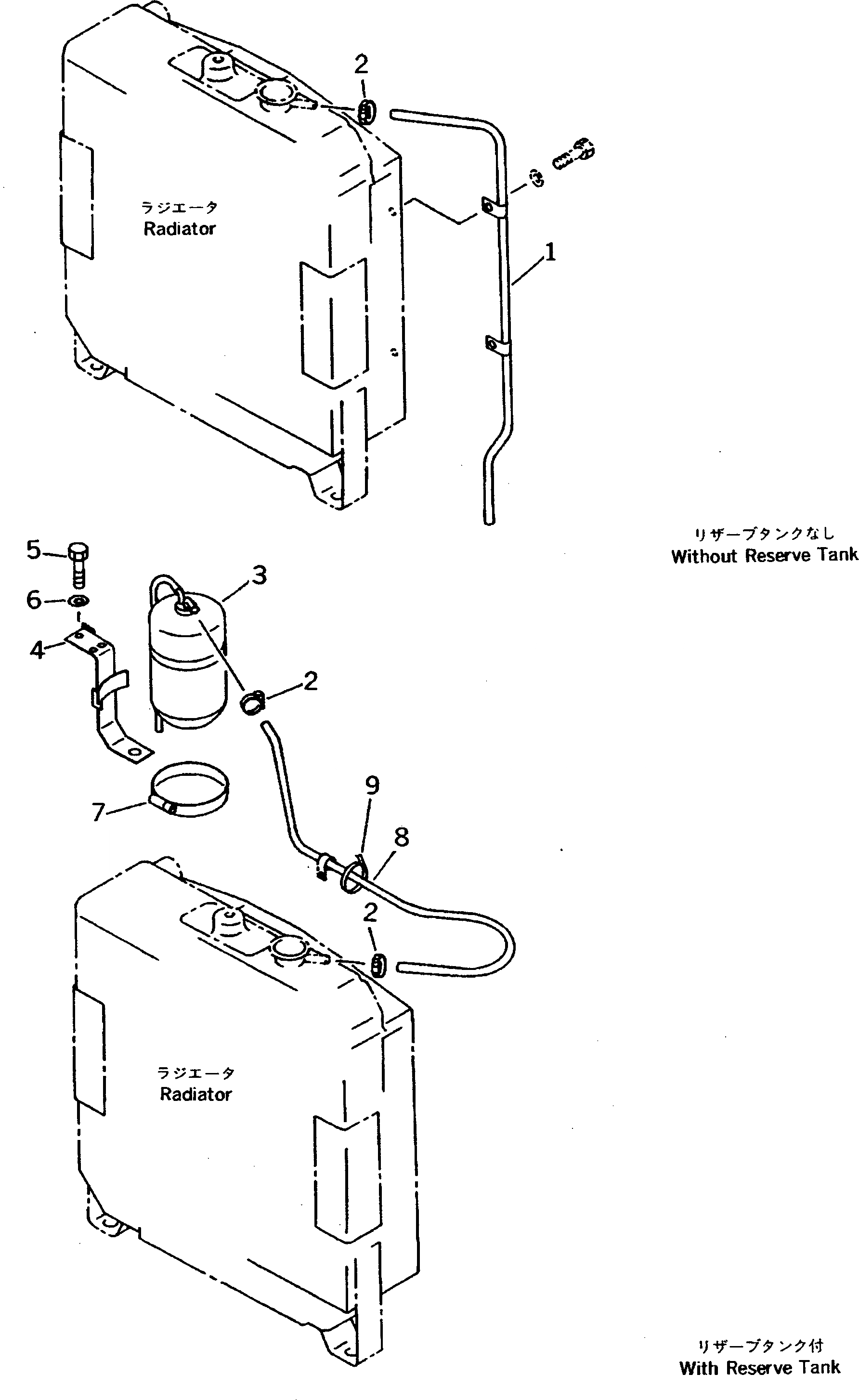
Запчасти Komatsu D31P-20 РАДИАТОР ВТОРИЧН. БАК И ТРУБЫ(№-7) СИСТЕМА ОХЛАЖДЕНИЯ

Схема запчастей Komatsu D31P-20 - РАДИАТОР ВТОРИЧН. БАК И ТРУБЫ(№-7) СИСТЕМА ОХЛАЖДЕНИЯ
FIT
1:1
100%

Артикул

Название

Примечание

Количество

1

113-03-21140

TUBE

SN: 45001-47616

1шт.

2

206-03-43340

CLIP

SN: 45001-47616

2шт.

3

417-03-10230

TANK,RESERVE

SN: 45001-47616

1шт.

4

114-03-41121

BRACKET

SN: 45001-47616

1шт.

5

01010-50820

BOLT

SN: 45001-47616

3шт.

6

01643-30823

WASHER

SN: 45001-47616

3шт.

7

07281-01469

CLAMP

SN: 45001-47616

1шт.

8

23S-03-11140

HOSE

SN: 45001-47616

1шт.

9

08034-00823

BAND

SN: 45001-47616

1шт.

Выбрано товаров: 0