/ / / / / / РАДИАТОР ВТОРИЧН. БАК И ТРУБЫ(№-7)
Запчасти Komatsu D31P-20 РАДИАТОР ВТОРИЧН. БАК И ТРУБЫ(№-7) СИСТЕМА ОХЛАЖДЕНИЯ
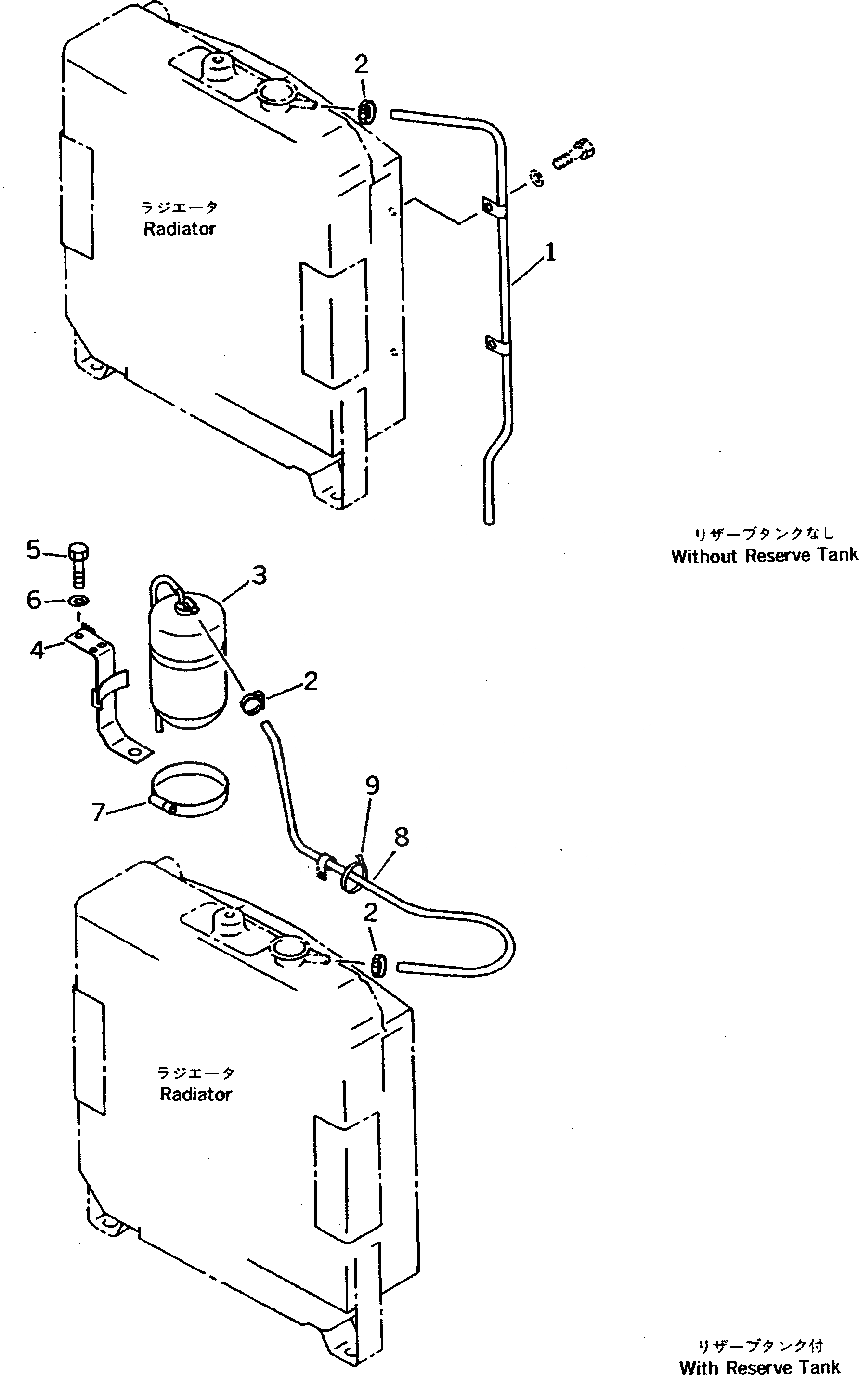
1
113-03-21140
TUBE
SN: 45001-47616
1шт.
2
206-03-43340
CLIP
SN: 45001-47616
2шт.
3
417-03-10230
TANK,RESERVE
SN: 45001-47616
1шт.
4
114-03-41121
BRACKET
SN: 45001-47616
1шт.
5
01010-50820
BOLT
SN: 45001-47616
3шт.
6
01643-30823
WASHER
SN: 45001-47616
3шт.
7
07281-01469
CLAMP
SN: 45001-47616
1шт.
8
23S-03-11140
HOSE
SN: 45001-47616
1шт.
9
08034-00823
BAND
SN: 45001-47616
1шт.
Выбрано товаров: 0