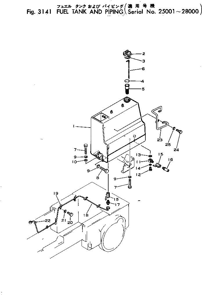
Запчасти Komatsu D31PL-16 ТОПЛ. БАК И ТОПЛИВОПРОВОД(№-8) КОМПОНЕНТЫ ДВИГАТЕЛЯ И ЭЛЕКТРИКА

Схема запчастей Komatsu D31PL-16 - ТОПЛ. БАК И ТОПЛИВОПРОВОД(№-8) КОМПОНЕНТЫ ДВИГАТЕЛЯ И ЭЛЕКТРИКА
FIT
1:1
100%

Артикул

Название

Примечание

Количество

|$0

113-04-00010

FUEL TANK ASS'Y

SN: 25001-28000

1шт.

1

0

TANK

SN: 25001-28000

1шт.

2

07050-20920

CAP ASS'Y

SN: 25001-@

1шт.

3

07050-20922

GASKET

SN: 25001-@

1шт.

4

07057-03266

RING

SN: 25001-@

1шт.

5

07056-16415

STRAINER

SN: 25001-@

1шт.

6

113-04-21120

GAUGE

SN: 25001-28000

1шт.

7

01010-31430

BOLT

SN: 25001-28000

3шт.

8

01010-31455

BOLT

SN: 25001-28000

2шт.

9

01602-01442

WASHER

SN: 25001-28000

5шт.

10

01643-31445

WASHER

SN: 25003-28000

1шт.

11

113-04-22130

NIPPLE

SN: 25001-28000

1шт.

12

113-04-22190

BOLT

SN: 25001-28000

1шт.

13

07005-02012

GASKET

SN: 25001-28000

1шт.

14

07005-01412

GASKET

SN: 25001-28000

1шт.

15

113-04-22120

VALVE

SN: 25001-@

2шт.

16

113-04-22150

NIPPLE

SN: 25001-28000

1шт.

17

07213-51013

CONNECTOR

SN: 25001-@

1шт.

18

113-04-22111

TUBE

SN: 25001-28000

1шт.

19

113-04-22160

CLIP

SN: 25001-@

4шт.

20

01010-31016

BOLT

SN: 25001-@

2шт.

21

01602-01030

WASHER

SN: 25001-@

2шт.

22

130-04-11270

CLIP

SN: 25001-@

3шт.

23

113-54-24160

HANDLE

SN: 25001-28000

1шт.

24

01010-31030

BOLT

SN: 25001-28000

3шт.

25

01602-01030

WASHER

SN: 25001-28000

3шт.

Выбрано товаров: 26