Запчасти Komatsu D31PL-16 РУЛЕВ. УПРАВЛЕНИЕ КОРПУС COVER(№8-) СИСТЕМАУПРАВЛЕНИЯ ПОВОРОТОМ И КОНЕЧНАЯ ПЕРЕДАЧА

Схема запчастей Komatsu D31PL-16 - РУЛЕВ. УПРАВЛЕНИЕ КОРПУС COVER(№8-) СИСТЕМАУПРАВЛЕНИЯ ПОВОРОТОМ И КОНЕЧНАЯ ПЕРЕДАЧА
FIT
1:1
100%

Артикул

Название

Примечание

Количество

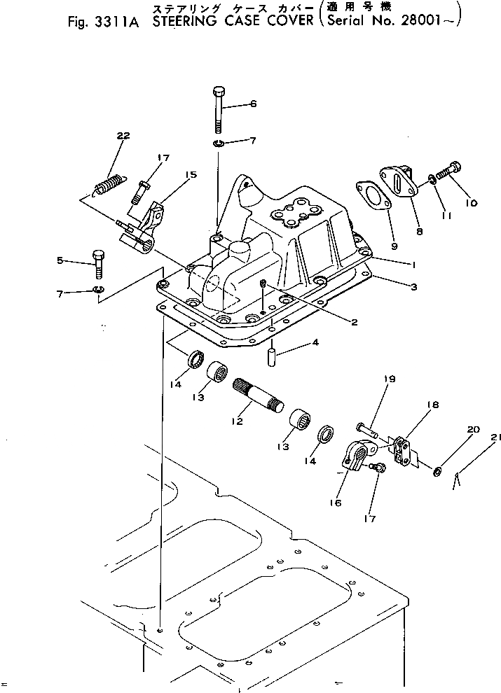
1

113-33-22111

COVER,L.H.

SN: 28001-UP

1шт.

|1

113-33-22121

COVER,R.H.

SN: 28001-UP

1шт.

2

07049-01012

PLUG

SN: 28001-UP

4шт.

3

113-33-22131

GASKET

SN: 28001-UP

2шт.

4

113-33-22180

PIN

SN: 25001-UP

4шт.

5

01010-31025

BOLT

SN: 25001-UP

22шт.

6

01010-31065

BOLT

SN: 28001-UP

4шт.

7

01602-01030

WASHER

SN: 25001-UP

26шт.

8

113-33-22160

CAP

SN: 25001-UP

2шт.

9

113-33-22170

GASKET

SN: 25001-UP

2шт.

10

01010-31025

BOLT

SN: 25001-UP

4шт.

11

01602-01030

WASHER

SN: 25001-UP

4шт.

12

113-33-22261

SHAFT

SN: 28001-UP

2шт.

13

06120-02520

BEARING

SN: 28001-UP

4шт.

14

06122-02504

SEAL

SN: 28001-UP

4шт.

15

113-33-22321

LEVER,L.H.

SN: 28001-UP

1шт.

|15

113-33-22331

LEVER,R.H.

SN: 28001-UP

1шт.

16

113-33-22251

LEVER

SN: 28001-UP

2шт.

17

01010-30830

BOLT

SN: 25001-UP

4шт.

18

113-33-22240

YOKE

SN: 25001-UP

2шт.

19

04205-11032

PIN

SN: 25001-UP

4шт.

20

01641-21016

WASHER

SN: 25001-UP

4шт.

21

04050-03015

PIN

SN: 25001-UP

4шт.

22

10E-43-12640

SPRING

SN: 28001-UP

2шт.

Выбрано товаров: 0