Запчасти Komatsu 4D105-3C ГЕНЕРАТОР И КРЕПЛЕНИЕ ОХЛАЖД-Е И ЭЛЕКТРИКАS

Схема запчастей Komatsu 4D105-3C - ГЕНЕРАТОР И КРЕПЛЕНИЕ ОХЛАЖД-Е И ЭЛЕКТРИКАS
FIT
1:1
100%

Артикул

Название

Примечание

Количество

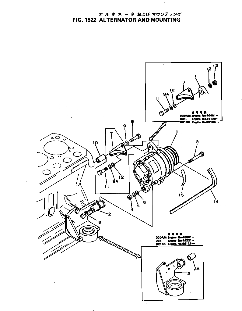
1

600-821-5410

ALTERNATOR A. (25A),(SEE FIG.1541)

SN: 40138-UP

1шт.

|1

600-821-3380

ALTERNATOR A. (13A),(FOR TRIMMING DOZER)

SN: 40138-UP

1шт.

2

6130-22-3741

BRACKET,FRONT¤ R.H.

SN: 46231-UP

1шт.

|2

0

BRACKET,FRONT¤ R.H.

SN: 40138-46230

1шт.

|$$5

(6130-22-3741{6130-22-3940)}

-1шт.

|2

6130-22-3840

BRACKET,FRONT¤ R.H.

SN: 40138-UP

1шт.

2A

6130-22-3940

SPACER

SN: 40138-UP

1шт.

3

01051-31425

BOLT

SN: 40138-UP

1шт.

4

01582-01411

NUT

SN: 40138-UP

1шт.

5

01602-01442

WASHER,SPRING

SN: 40138-UP

1шт.

6

01641-21423

WASHER

SN: 40138-UP

2шт.

7

6130-22-6730

PLATE,ADJUST

SN: 40138-UP

1шт.

|7

6130-22-6750

PLATE,ADJUST (FOR TRIMMING DOZER)

SN: 40138-UP

1шт.

8

01010-31065

BOLT

SN: 40138-UP

1шт.

9

01602-01030

WASHER,SPRING

SN: 40138-UP

1шт.

9A

01602-01030

WASHER,SPRING

SN: 40138-UP

1шт.

9A

01602-01236

WASHER,SPRING (FOR TRIMMING DOZER)

SN: 40138-UP

1шт.

10

6130-22-6760

SPACER

SN: 40138-UP

1шт.

11

01010-31040

BOLT

SN: 40138-UP

1шт.

|11

01050-31230

BOLT,(FOR TRIMMING DOZER)

SN: 40138-UP

1шт.

12

01643-31032

WASHER

SN: 40138-UP

2шт.

|12

01643-31232

WASHER,(FOR TRIMMING DOZER)

SN: 40138-UP

1шт.

13

01580-01008

NUT

SN: 40138-UP

1шт.

14

04120-21750

V-BELT

SN: 40138-UP

1шт.

15

600-022-2110

PLATE¤ CAUTION,(JAPANESE)

SN: 40138-UP

1шт.

|15

600-022-2120

PLATE¤ CAUTION,(ENGLISH-FRENCH)

SN: 40138-UP

1шт.

|15

600-022-2130

PLATE¤ CAUTION,(ENGLISH)

SN: 40138-UP

1шт.

|15

600-022-2140

PLATE¤ CAUTION,(ENGLISH-SPANISH)

SN: 40138-UP

1шт.

|15

600-022-2150

PLATE¤ CAUTION,(ENGLISH-PORTUGUESE)

SN: 40138-UP

1шт.

|15

600-022-2160

PLATE¤ CAUTION,(ENGLISH-GERMAN)

SN: 40138-UP

1шт.

|15

600-022-2170

PLATE¤ CAUTION,(CHINESE)

SN: 40138-UP

1шт.

|15

600-022-2180

PLATE¤ CAUTION,(ENGLISH-INDONESIAN)

SN: 40138-UP

1шт.

1

600-821-5410

ALTERNATOR A. (25A),(SEE FIG.1541)

SN: 40138-UP

1шт.

|1

600-821-3380

ALTERNATOR A. (13A),(FOR TRIMMING DOZER)

SN: 40138-UP

1шт.

2

6130-22-3741

BRACKET,FRONT¤ R.H.

SN: 46231-UP

1шт.

|2

0

BRACKET,FRONT¤ R.H.

SN: 40138-46230

1шт.

|$$5

(6130-22-3741{6130-22-3940)}

-1шт.

|2

6130-22-3840

BRACKET,FRONT¤ R.H.

SN: 40138-UP

1шт.

2A

6130-22-3940

SPACER

SN: 40138-UP

1шт.

3

01051-31425

BOLT

SN: 40138-UP

1шт.

4

01582-01411

NUT

SN: 40138-UP

1шт.

5

01602-01442

WASHER,SPRING

SN: 40138-UP

1шт.

6

01641-21423

WASHER

SN: 40138-UP

2шт.

7

6130-22-6730

PLATE,ADJUST

SN: 40138-UP

1шт.

|7

6130-22-6750

PLATE,ADJUST (FOR TRIMMING DOZER)

SN: 40138-UP

1шт.

8

01010-31065

BOLT

SN: 40138-UP

1шт.

9

01602-01030

WASHER,SPRING

SN: 40138-UP

1шт.

9A

01602-01030

WASHER,SPRING

SN: 40138-UP

1шт.

9A

01602-01236

WASHER,SPRING (FOR TRIMMING DOZER)

SN: 40138-UP

1шт.

10

6130-22-6760

SPACER

SN: 40138-UP

1шт.

11

01010-31040

BOLT

SN: 40138-UP

1шт.

|11

01050-31230

BOLT,(FOR TRIMMING DOZER)

SN: 40138-UP

1шт.

12

01643-31032

WASHER

SN: 40138-UP

2шт.

|12

01643-31232

WASHER,(FOR TRIMMING DOZER)

SN: 40138-UP

1шт.

13

01580-01008

NUT

SN: 40138-UP

1шт.

14

04120-21750

V-BELT

SN: 40138-UP

1шт.

15

600-022-2110

PLATE¤ CAUTION,(JAPANESE)

SN: 40138-UP

1шт.

|15

600-022-2120

PLATE¤ CAUTION,(ENGLISH-FRENCH)

SN: 40138-UP

1шт.

|15

600-022-2130

PLATE¤ CAUTION,(ENGLISH)

SN: 40138-UP

1шт.

|15

600-022-2140

PLATE¤ CAUTION,(ENGLISH-SPANISH)

SN: 40138-UP

1шт.

|15

600-022-2150

PLATE¤ CAUTION,(ENGLISH-PORTUGUESE)

SN: 40138-UP

1шт.

|15

600-022-2160

PLATE¤ CAUTION,(ENGLISH-GERMAN)

SN: 40138-UP

1шт.

|15

600-022-2170

PLATE¤ CAUTION,(CHINESE)

SN: 40138-UP

1шт.

|15

600-022-2180

PLATE¤ CAUTION,(ENGLISH-INDONESIAN)

SN: 40138-UP

1шт.

Выбрано товаров: 64