Запчасти Komatsu D31PL-17 ТРАНСМИССИЯ (1 КОЖУХ) ДЕМПФЕР И ТРАНСМИССИЯ

Схема запчастей Komatsu D31PL-17 - ТРАНСМИССИЯ (1 КОЖУХ) ДЕМПФЕР И ТРАНСМИССИЯ
FIT
1:1
100%

Артикул

Название

Примечание

Количество

|$0

113-15-00401

TRANSMISSION ASS'Y

SN: 33784-UP

1шт.

|$1

0

TRANSMISSION ASS'Y

SN: 32001-33783

1шт.

|$2

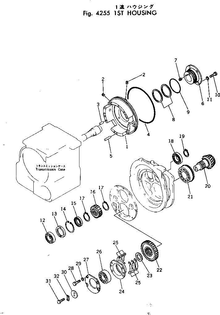
113-15-00410

HOUSING ASS'Y

SN: 32001-UP

1шт.

1

0

HOUSING

SN: 32001-UP

1шт.

2

07043-00108

PLUG

SN: 32001-UP

2шт.

3

113-15-21290

PIN

SN: 32001-UP

2шт.

4

07000-05270

O-RING (KIT)

SN: 32001-UP

1шт.

5

113-15-21280

PIN

SN: 32001-UP

5шт.

|$8

113-15-00220

CAGE ASS'Y

SN: 32001-UP

1шт.

6

0

CAGE

SN: 32001-UP

1шт.

7

175-15-11230

PLUG

SN: 32001-UP

1шт.

8

07018-20954

RING,SEAL

SN: 32001-UP

2шт.

9

07000-02110

O-RING (KIT)

SN: 32001-UP

1шт.

10

01010-31025

BOLT

SN: 32001-UP

4шт.

11

01602-01030

WASHER

SN: 32001-UP

4шт.

12

103-15-12940

BEARING

SN: 32001-UP

1шт.

13

113-15-21230

COLLAR

SN: 32001-UP

1шт.

14

04065-08530

RING

SN: 32001-UP

1шт.

15

07012-10048

SEAL (KIT)

SN: 32001-UP

1шт.

16

113-15-33210

GEAR, 21 TEETH

SN: 32001-UP

1шт.

17

04064-05520

RING

SN: 32001-UP

2шт.

18

06041-00209

BEARING

SN: 32001-UP

1шт.

19

04064-04518

RING

SN: 32001-UP

1шт.

20

113-15-23240

SHAFT

SN: 32001-UP

1шт.

21

113-15-23910

BEARING

SN: 32001-UP

1шт.

22

113-15-33220

GEAR, 35 TEETH

SN: 32001-UP

1шт.

23

113-15-33390

SPACER

SN: 32001-UP

1шт.

24

113-15-23360

CAGE

SN: 32001-UP

1шт.

25

113-15-23410

SHIM, 1.0MM (KIT)

SN: 32001-UP

2шт.

25

113-15-23420

SHIM, 0.2MM (KIT)

SN: 32001-UP

8шт.

25

113-15-23440

SHIM, 0.3MM (KIT)

SN: 32001-UP

4шт.

26

06030-22308

BEARING

SN: 32001-UP

1шт.

27

113-15-23370

PLATE

SN: 32001-UP

1шт.

28

01010-31035

BOLT

SN: 32001-UP

4шт.

29

01602-01030

WASHER

SN: 32001-UP

4шт.

30

113-15-23380

HOLDER

SN: 32001-UP

1шт.

31

01010-30825

BOLT

SN: 32001-UP

2шт.

32

04081-03510

LOCK (KIT)

SN: 32001-UP

1шт.

Выбрано товаров: 38