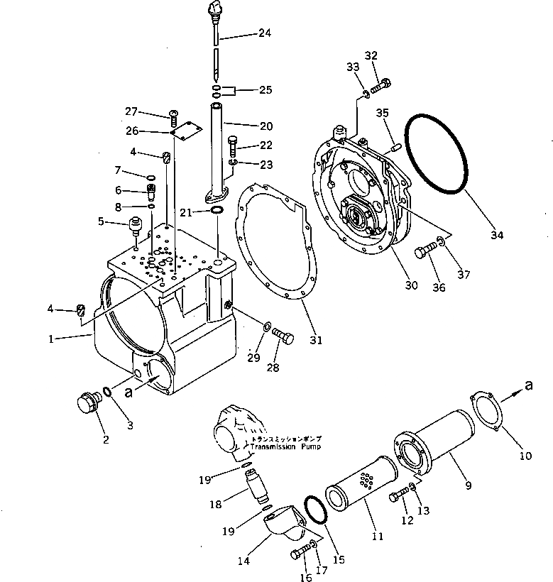
Запчасти Komatsu D31PLL-18 ТРАНСМИССИЯ (КОРПУС) (/7) ДЕМПФЕР¤ ТРАНСМИССИЯ¤ РУЛЕВ. УПРАВЛЕНИЕ И КОНЕЧНАЯ ПЕРЕДАЧА

Схема запчастей Komatsu D31PLL-18 - ТРАНСМИССИЯ (КОРПУС) (/7) ДЕМПФЕР¤ ТРАНСМИССИЯ¤ РУЛЕВ. УПРАВЛЕНИЕ И КОНЕЧНАЯ ПЕРЕДАЧА
FIT
1:1
100%

Артикул

Название

Примечание

Количество

|$0

114-15-00033

TRANSMISSION ASS'Y

SN: 42967-UP

1шт.

|$1

0

TRANSMISSION ASS'Y

SN: 41406-42966

1шт.

|$2

0

TRANSMISSION ASS'Y

SN: 40323-41405

1шт.

|$3

0

TRANSMISSION ASS'Y

SN: 40001-40322

1шт.

|$$5

THESE ASSEMBLIES CONSIST OF ALL PARTS SHOWN IN FIGS.2501 TO 2561.

-1шт.

|$5

114-15-00313

TRANSMISSION ASS'Y

SN: 42967-UP

1шт.

|$6

113-15-00611

TRANSMISSION ASS'Y

SN: 41406-42966

1шт.

|$7

113-15-00610

TRANSMISSION ASS'Y

SN: 40001-41405

1шт.

|$$9

THESE ASSEMBLIES CONSIST OF ALL PARTS SHOWN IN FIGS.2501 TO 2505 AND 2507.

-1шт.

1

113-15-21110

CASE

SN: 40001-UP

1шт.

2

07044-12412

PLUG

SN: 40001-UP

1шт.

3

07002-02434

O-RING (K1)

SN: 40001-UP

1шт.

4

07049-01215

PLUG

SN: 40001-UP

2шт.

5

07030-00252

BREATHER

SN: 40001-UP

1шт.

6

113-15-21310

SLEEVE

SN: 40001-UP

6шт.

7

07000-72012

O-RING (K1)

SN: 40001-UP

6шт.

8

07000-72010

O-RING (K1)

SN: 40001-UP

6шт.

9

113-15-21711

CASE

SN: 40001-UP

1шт.

10

113-15-21720

GASKET (K1)

SN: 40001-UP

1шт.

11

113-15-21730

SCREEN

SN: 40001-UP

1шт.

12

01010-50825

BOLT

SN: 40001-UP

3шт.

13

01602-20825

WASHER,SPRING

SN: 40001-UP

3шт.

14

113-15-21751

COVER

SN: 40001-UP

1шт.

15

07000-02095

O-RING (K1)

SN: 40001-UP

1шт.

16

01010-50820

BOLT

SN: 40001-UP

2шт.

17

01602-20825

WASHER,SPRING

SN: 40001-UP

2шт.

18

103-15-21760

SLEEVE

SN: 40001-UP

1шт.

19

07000-73028

O-RING (K1)

SN: 40001-UP

2шт.

20

113-15-38111

FILLER

SN: 40001-UP

1шт.

21

07000-03035

O-RING (K1)

SN: 40001-UP

1шт.

22

01010-51030

BOLT

SN: 40001-UP

2шт.

23

01602-21030

WASHER,SPRING

SN: 40001-UP

2шт.

24

113-21-31260

GAUGE

SN: 40001-UP

1шт.

25

07000-03022

O-RING (K1)

SN: 40001-UP

2шт.

26

09608-05080

PLATE, NAME,(LIMITED SUPPLY)

SN: 40001-UP

1шт.

27

04418-03060

SCREW

SN: 40001-UP

4шт.

28

01010-51465

BOLT

SN: 40001-UP

2шт.

29

01640-21426

WASHER

SN: 40001-UP

2шт.

30

114-15-00320

TRANSFER ASS'Y

SN: 42967-UP

1шт.

30

113-15-00620

TRANSFER ASS'Y

SN: 40001-42966

1шт.

31

113-15-21120

GASKET (K1)

SN: 40001-UP

1шт.

32

01010-51030

BOLT

SN: 40001-UP

12шт.

33

01602-21030

WASHER,SPRING

SN: 40001-UP

12шт.

34

07000-05280

O-RING (K1)

SN: 40001-UP

1шт.

35

04020-01228

PIN,DOWEL

SN: 40001-UP

1шт.

36

01010-51435

BOLT

SN: 40001-UP

10шт.

37

01602-21442

WASHER,SPRING

SN: 40001-UP

10шт.

Выбрано товаров: 47