Запчасти Komatsu D31PLL-18 КОНЕЧНАЯ ПЕРЕДАЧА И ВАЛ ДЕМПФЕР¤ ТРАНСМИССИЯ¤ РУЛЕВ. УПРАВЛЕНИЕ И КОНЕЧНАЯ ПЕРЕДАЧА

Схема запчастей Komatsu D31PLL-18 - КОНЕЧНАЯ ПЕРЕДАЧА И ВАЛ ДЕМПФЕР¤ ТРАНСМИССИЯ¤ РУЛЕВ. УПРАВЛЕНИЕ И КОНЕЧНАЯ ПЕРЕДАЧА
FIT
1:1
100%

Артикул

Название

Примечание

Количество

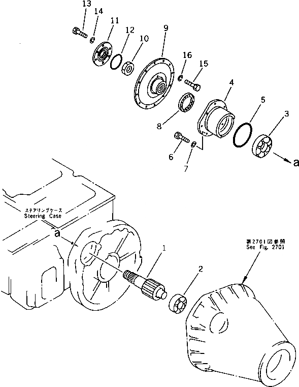
1

113-27-41221

PINION

SN: 41508-UP

2шт.

1

0

PINION

SN: 40001-41507

2шт.

2

113-27-31240

BEARING,ROLLER

SN: 40001-UP

2шт.

3

06044-00311

BEARING,ROLLER

SN: 40001-UP

2шт.

4

113-27-31210

RETAINER

SN: 40001-UP

2шт.

5

07000-02140

O-RING

SN: 40001-UP

2шт.

6

01010-51030

BOLT

SN: 40001-UP

12шт.

7

01602-21030

WASHER,SPRING

SN: 40001-UP

12шт.

8

07012-10080

SEAL,OIL

SN: 40001-UP

2шт.

9

113-27-21230

FLANGE

SN: 40001-UP

2шт.

10

131-21-52320

NUT

SN: 40001-UP

2шт.

11

113-27-21220

LOCK

SN: 40001-UP

2шт.

12

07000-02085

O-RING

SN: 40001-UP

2шт.

13

01010-51225

BOLT

SN: 40001-UP

4шт.

14

01602-21236

WASHER,SPRING

SN: 40001-UP

4шт.

15

01010-51030

BOLT

SN: 40001-UP

24шт.

16

01602-21030

WASHER,SPRING

SN: 40001-UP

24шт.

Выбрано товаров: 17