Запчасти Komatsu 6D95L-1AA ВЫПУСКНОЙ КОЛЛЕКТОР И ТУРБОНАГНЕТАТЕЛЬ (СПЕЦ-Я ДЛЯ БОЛЬШИХ ВЫСОТ.) ГОЛОВКА ЦИЛИНДРОВ

Схема запчастей Komatsu 6D95L-1AA - ВЫПУСКНОЙ КОЛЛЕКТОР И ТУРБОНАГНЕТАТЕЛЬ (СПЕЦ-Я ДЛЯ БОЛЬШИХ ВЫСОТ.) ГОЛОВКА ЦИЛИНДРОВ
FIT
1:1
100%

Артикул

Название

Примечание

Количество

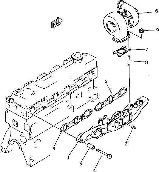
1

6207-11-5140

MANIFOLD,EXHAUST

SN: 29222-UP

1шт.

2

07042-20108

PLUG

SN: 29222-UP

1шт.

3

6207-11-5810

GASKET (K1)

SN: 29222-UP

2шт.

4

01435-01090

BOLT

SN: 29222-UP

12шт.

5

6134-11-5120

SPACER

SN: 29222-UP

12шт.

6

6206-81-8120

TURBOCHARGER ASS'Y,(SEE FIG.0155)

SN: 29222-UP

1шт.

7

6207-11-5580

GASKET (K1)

SN: 29222-UP

1шт.

8

01140-61025

STUD

SN: 29222-UP

4шт.

9

6142-12-5850

NUT

SN: 29222-UP

4шт.

1

6207-11-5140

MANIFOLD,EXHAUST

SN: 29222-UP

1шт.

2

07042-20108

PLUG

SN: 29222-UP

1шт.

3

6207-11-5810

GASKET (K1)

SN: 29222-UP

2шт.

4

01435-01090

BOLT

SN: 29222-UP

12шт.

5

6134-11-5120

SPACER

SN: 29222-UP

12шт.

6

6206-81-8120

TURBOCHARGER ASS'Y,(SEE FIG.0155)

SN: 29222-UP

1шт.

7

6207-11-5580

GASKET (K1)

SN: 29222-UP

1шт.

8

01140-61025

STUD

SN: 29222-UP

4шт.

9

6142-12-5850

NUT

SN: 29222-UP

4шт.

Выбрано товаров: 18