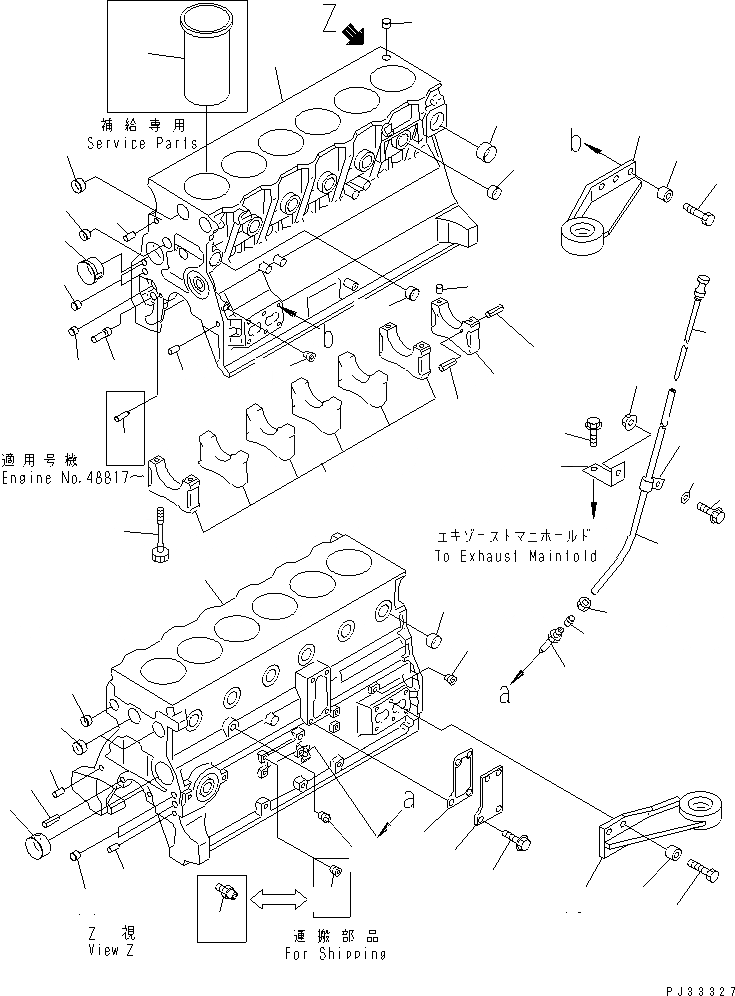
Запчасти Komatsu 6D95L-1AA БЛОК ЦИЛИНДРОВ БЛОК ЦИЛИНДРОВ

Схема запчастей Komatsu 6D95L-1AA - БЛОК ЦИЛИНДРОВ БЛОК ЦИЛИНДРОВ
1
1
2
3
4
5
6
7
7
7
8
9
10
11
11
12
12
13
14
15
15
16
16
16
16
17
17
18
19
19
19
20
21
22
23
24
25
26
27
28
29
30
31
32
33
34
35
36
37
38
39
40
41
42
43
1
1
2
3
4
5
6
7
7
7
8
9
10
11
11
12
12
13
14
15
15
16
16
16
16
17
17
18
19
19
19
20
21
22
23
24
25
26
27
28
29
30
31
32
33
34
35
36
37
38
39
40
41
42
43
FIT
1:1
100%

Артикул

Название

Примечание

Количество

|$0

6206-21-1401

CYLINDER BLOCK ASS'Y

SN: 53457-UP

1шт.

|$1

0

CYLINDER BLOCK ASS'Y

SN: 48817-53456

1шт.

|$$3

(6206-21-1401,6206-21-3133,

-1шт.

|$$4

6206-41-1301)

-1шт.

|$4

0

CYLINDER BLOCK ASS'Y

SN: 29222-48816

1шт.

|$$6

(6206-21-1301,6206-51-1201)

-1шт.

1

0

BLOCK,CYLINDER

SN: 29222-UP

1шт.

2

6204-21-1410

BUSHING

SN: 53457-UP

1шт.

2

6206-41-1350

SLEEVE

SN: 29222-53456

1шт.

3

6206-21-1420

BUSHING,CAMSHAFT

SN: 29222-UP

3шт.

4

0

CAP,MAIN METAL, NO.1,2,3,4,5,6

SN: 29222-UP

6шт.

5

0

CAP,MAIN METAL, NO.7

SN: 29222-UP

1шт.

6

6141-21-1530

RING,DOWEL

SN: 29222-UP

2шт.

7

04025-00408

PIN,SPRING

SN: 29222-UP

6шт.

8

6204-21-1610

BOLT,MAIN CAP

SN: 29222-UP

14шт.

9

6204-51-1711

BUSHING,OIL PUMP

SN: 48817-UP

1шт.

9

0

BUSHING,OIL PUMP

SN: 29222-48816

1шт.

10

6204-51-1620

SHAFT,OIL PUMP

SN: 29222-UP

1шт.

11

07046-41810

PLUG

SN: 29222-UP

4шт.

12

04020-00820

PIN,DOWEL

SN: 29222-UP

2шт.

13

6136-52-1620

PIN,DOWEL, OIL PUMP

SN: 48817-UP

1шт.

14

07046-42216

PLUG

SN: 29222-UP

1шт.

15

04020-01228

PIN,DOWEL

SN: 29222-UP

2шт.

16

07046-43016

PLUG

SN: 53457-UP

9шт.

16

07046-43016

PLUG

SN: 29222-53456

8шт.

17

07046-42516

PLUG

SN: 53457-UP

7шт.

17

07046-42516

PLUG

SN: 29222-53456

6шт.

18

07042-10312

PLUG

SN: 29222-UP

1шт.

19

07043-50108

PLUG

SN: 29222-UP

7шт.

20

6140-21-1130

BUSHING,DOWEL

SN: 29222-UP

2шт.

21

07046-44016

PLUG

SN: 29222-UP

1шт.

22

08073-10505

SWITCH

SN: 93602-UP

1шт.

22

0

SWITCH

SN: 29222-96301

1шт.

23

6206-21-6710

PLATE

SN: 29222-UP

1шт.

24

6206-21-6810

GASKET (K2)

SN: 29222-UP

1шт.

25

01435-20816

BOLT

SN: 29222-UP

4шт.

26

6204-21-5510

GUIDE,BASE

SN: 29222-UP

1шт.

27

6150-21-5930

NUT

SN: 29222-UP

1шт.

28

6150-21-5920

COLLAR

SN: 29222-UP

1шт.

29

6206-21-5440

GUIDE,OIL GAUGE

SN: 29222-UP

1шт.

30

6206-21-5370

GAUGE,OIL

SN: 29222-UP

1шт.

31

6206-11-5930

BRACKET

SN: 29222-UP

1шт.

32

6144-21-5590

CLAMP

SN: 29222-UP

1шт.

33

01435-20820

BOLT

SN: 29222-UP

1шт.

34

01584-00806

NUT

SN: 36821-UP

1шт.

34

01584-20806

NUT

SN: 29222-36820

1шт.

35

01642-20810

WASHER

SN: 29222-UP

1шт.

36

01435-01020

BOLT

SN: 29222-UP

1шт.

37

113-01-41110

BRACKET,L.H.

SN: 29222-UP

1шт.

38

01010-51045

BOLT

SN: 29222-UP

6шт.

39

6631-11-5630

SPACER

SN: 29222-UP

6шт.

40

113-01-41120

BRACKET,R.H.

SN: 29222-UP

1шт.

41

01010-51055

BOLT

SN: 29222-UP

5шт.

42

6631-11-5630

SPACER

SN: 29222-UP

5шт.

43

6207-21-2110

LINER (MARK A),CYLINDER

SN: 29222-UP

-2шт.

43

6207-21-2120

LINER (MARK B),CYLINDER

SN: 29222-UP

-2шт.

|$0

6206-21-1401

CYLINDER BLOCK ASS'Y

SN: 53457-UP

1шт.

|$1

0

CYLINDER BLOCK ASS'Y

SN: 48817-53456

1шт.

|$$3

(6206-21-1401,6206-21-3133,

-1шт.

|$$4

6206-41-1301)

-1шт.

|$4

0

CYLINDER BLOCK ASS'Y

SN: 29222-48816

1шт.

|$$6

(6206-21-1301,6206-51-1201)

-1шт.

1

0

BLOCK,CYLINDER

SN: 29222-UP

1шт.

2

6204-21-1410

BUSHING

SN: 53457-UP

1шт.

2

6206-41-1350

SLEEVE

SN: 29222-53456

1шт.

3

6206-21-1420

BUSHING,CAMSHAFT

SN: 29222-UP

3шт.

4

0

CAP,MAIN METAL, NO.1,2,3,4,5,6

SN: 29222-UP

6шт.

5

0

CAP,MAIN METAL, NO.7

SN: 29222-UP

1шт.

6

6141-21-1530

RING,DOWEL

SN: 29222-UP

2шт.

7

04025-00408

PIN,SPRING

SN: 29222-UP

6шт.

8

6204-21-1610

BOLT,MAIN CAP

SN: 29222-UP

14шт.

9

6204-51-1711

BUSHING,OIL PUMP

SN: 48817-UP

1шт.

9

0

BUSHING,OIL PUMP

SN: 29222-48816

1шт.

10

6204-51-1620

SHAFT,OIL PUMP

SN: 29222-UP

1шт.

11

07046-41810

PLUG

SN: 29222-UP

4шт.

12

04020-00820

PIN,DOWEL

SN: 29222-UP

2шт.

13

6136-52-1620

PIN,DOWEL, OIL PUMP

SN: 48817-UP

1шт.

14

07046-42216

PLUG

SN: 29222-UP

1шт.

15

04020-01228

PIN,DOWEL

SN: 29222-UP

2шт.

16

07046-43016

PLUG

SN: 53457-UP

9шт.

16

07046-43016

PLUG

SN: 29222-53456

8шт.

17

07046-42516

PLUG

SN: 53457-UP

7шт.

17

07046-42516

PLUG

SN: 29222-53456

6шт.

18

07042-10312

PLUG

SN: 29222-UP

1шт.

19

07043-50108

PLUG

SN: 29222-UP

7шт.

20

6140-21-1130

BUSHING,DOWEL

SN: 29222-UP

2шт.

21

07046-44016

PLUG

SN: 29222-UP

1шт.

22

08073-10505

SWITCH

SN: 93602-UP

1шт.

22

0

SWITCH

SN: 29222-96301

1шт.

23

6206-21-6710

PLATE

SN: 29222-UP

1шт.

24

6206-21-6810

GASKET (K2)

SN: 29222-UP

1шт.

25

01435-20816

BOLT

SN: 29222-UP

4шт.

26

6204-21-5510

GUIDE,BASE

SN: 29222-UP

1шт.

27

6150-21-5930

NUT

SN: 29222-UP

1шт.

28

6150-21-5920

COLLAR

SN: 29222-UP

1шт.

29

6206-21-5440

GUIDE,OIL GAUGE

SN: 29222-UP

1шт.

30

6206-21-5370

GAUGE,OIL

SN: 29222-UP

1шт.

31

6206-11-5930

BRACKET

SN: 29222-UP

1шт.

32

6144-21-5590

CLAMP

SN: 29222-UP

1шт.

33

01435-20820

BOLT

SN: 29222-UP

1шт.

34

01584-00806

NUT

SN: 36821-UP

1шт.

34

01584-20806

NUT

SN: 29222-36820

1шт.

35

01642-20810

WASHER

SN: 29222-UP

1шт.

36

01435-01020

BOLT

SN: 29222-UP

1шт.

37

113-01-41110

BRACKET,L.H.

SN: 29222-UP

1шт.

38

01010-51045

BOLT

SN: 29222-UP

6шт.

39

6631-11-5630

SPACER

SN: 29222-UP

6шт.

40

113-01-41120

BRACKET,R.H.

SN: 29222-UP

1шт.

41

01010-51055

BOLT

SN: 29222-UP

5шт.

42

6631-11-5630

SPACER

SN: 29222-UP

5шт.

43

6207-21-2110

LINER (MARK A),CYLINDER

SN: 29222-UP

-2шт.

43

6207-21-2120

LINER (MARK B),CYLINDER

SN: 29222-UP

-2шт.

Выбрано товаров: 112