Запчасти Komatsu D31PX-21 ОСНОВН. КОНСТРУКЦИЯ (КРЕПЛЕНИЕ) (НАВЕС) КАБИНА ОПЕРАТОРА И СИСТЕМА УПРАВЛЕНИЯ

Схема запчастей Komatsu D31PX-21 - ОСНОВН. КОНСТРУКЦИЯ (КРЕПЛЕНИЕ) (НАВЕС) КАБИНА ОПЕРАТОРА И СИСТЕМА УПРАВЛЕНИЯ
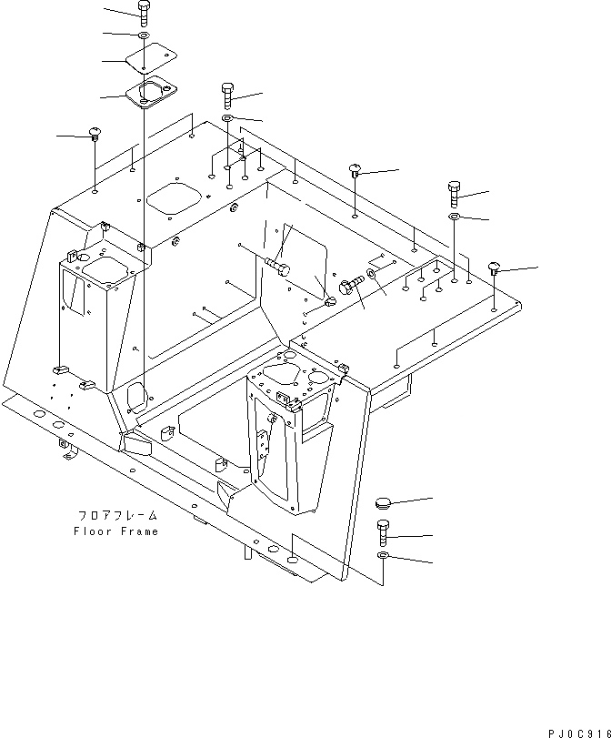
1
2
3
4
5
5
5
6
7
8
9
10
11
12
13
13
14
14
FIT
1:1
100%

Артикул

Название

Примечание

Количество

1

11Y-54-13270

COVER

SN: 50001-UP

1шт.

2

11Y-979-4771

SEAL

SN: 50001-UP

2шт.

3

01010-D0830

BOLT

SN: 50001-UP

2шт.

4

01643-70823

WASHER

SN: 50001-UP

2шт.

5

22L-46-12150

CAP

SN: 50001-UP

13шт.

6

01010-D0816

BOLT

SN: 50001-UP

5шт.

7

07049-01215

PLUG

SN: 50039-UP

8шт.

7

07049-01215

PLUG

SN: 50001-50038

6шт.

8

01643-70823

WASHER

SN: 50001-UP

5шт.

9

01435-40620

BOLT

SN: 50001-UP

2шт.

10

01010-81225

BOLT

SN: 50001-UP

4шт.

11

01643-31232

WASHER

SN: 50001-UP

4шт.

12

09415-02512

CAP

SN: 50001-UP

4шт.

13

01010-D1230

BOLT

SN: 50001-UP

12шт.

14

01643-71232

WASHER

SN: 50001-UP

12шт.

Выбрано товаров: 15