Запчасти Komatsu D31PX-21 ENGNE КАПОТ (С ПРЕФИЛЬТРОМ И ROPS SWEEP) ЧАСТИ КОРПУСА

Схема запчастей Komatsu D31PX-21 - ENGNE КАПОТ (С ПРЕФИЛЬТРОМ И ROPS SWEEP) ЧАСТИ КОРПУСА
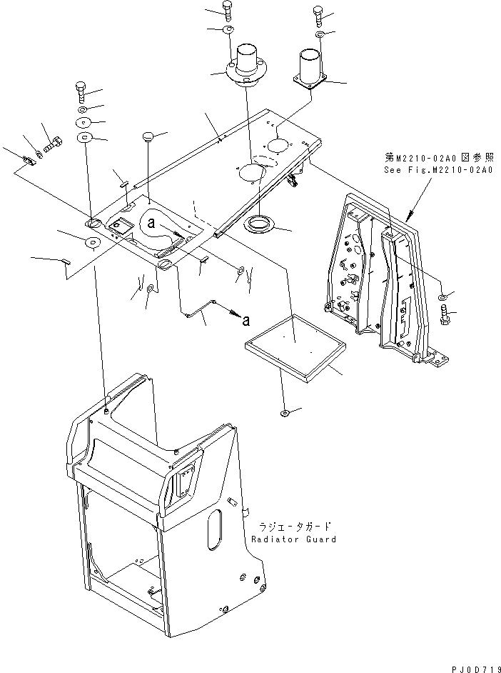
1
2
2
3
4
4
5
6
7
7
7
8
9
10
11
12
13
14
15
16
17
18
19
20
21
22
23
23
24
FIT
1:1
100%

Артикул

Название

Примечание

Количество

|1

11Y-54-12301

HOOD ASS'Y

SN: 50001-UP

1шт.

1

01010-81225

BOLT

SN: 50001-UP

2шт.

2

01643-30823

WASHER

SN: 50001-UP

2шт.

3

01643-31232

WASHER

SN: 50001-UP

6шт.

4

04050-12015

PIN

SN: 50001-UP

2шт.

5

11Y-54-11180

HOOK

SN: 50001-UP

1шт.

6

11Y-54-11382

HOOD

SN: 50001-UP

1шт.

|6

11Y-54-11171

HOOD

SN: 50001-UP

1шт.

|6

14X-54-12910

LOCK

SN: 50001-UP

1шт.

7

11Y-54-11680

SHEET

SN: 50001-UP

3шт.

8

11Y-54-11810

SHEET

SN: 50001-UP

1шт.

9

14X-54-12150

PLATE

SN: 50001-UP

1шт.

10

124-A62-1920

CAP

SN: 50001-UP

8шт.

11

203-54-32260

STOPPER

SN: 50001-UP

2шт.

12

11Y-54-11391

PIPE

SN: 50217-UP

1шт.

|12

0

PIPE

SN: 50001-50216

1шт.

13

01010-D1225

BOLT

SN: 50001-UP

3шт.

14

11Y-54-11370

WASHER

SN: 50001-UP

3шт.

15

11Y-54-11760

PIPE

SN: 50001-UP

1шт.

16

01010-D1020

BOLT

SN: 50001-UP

4шт.

17

01643-71032

WASHER

SN: 50001-UP

4шт.

18

114-54-51610

BOOT

SN: 50001-UP

1шт.

19

01010-81245

BOLT

SN: 50001-UP

4шт.

20

01643-31232

WASHER

SN: 50001-UP

4шт.

21

01010-D1235

BOLT

SN: 50001-UP

2шт.

22

01643-71232

WASHER

SN: 50001-UP

2шт.

23

11Y-54-11561

SPACER

SN: 50111-UP

4шт.

|23

11Y-54-11560

SPACER

SN: 50001-50110

4шт.

24

11Y-54-11570

PLATE

SN: 50001-UP

2шт.

Выбрано товаров: 29