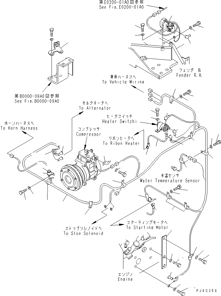
Запчасти Komatsu D31PX-21 ЭЛЕКТРИКА (ДВИГАТЕЛЬ ЭЛЕКТРОПРОВОДКА) ЭЛЕКТРИКА

Схема запчастей Komatsu D31PX-21 - ЭЛЕКТРИКА (ДВИГАТЕЛЬ ЭЛЕКТРОПРОВОДКА) ЭЛЕКТРИКА
1
2
3
3
4
5
5
5
5
5
6
7
8A
8A
8A
8A
8A
9
9
9
9
9
10
10
11
11
12
12
12A
12A
13
14
15
16
17
17A
17B
18
19
19
20
20
21
22
23
24
24
24
24
25
FIT
1:1
100%

Артикул

Название

Примечание

Количество

1

11Y-06-11133

WIRING HARNESS

SN: 50001-UP

1шт.

2

04434-50610

CLIP

SN: 50001-UP

1шт.

3

04434-51012

CLIP

SN: 50001-UP

3шт.

4

04434-51410

CLIP

SN: 50001-UP

2шт.

5

04434-51710

CLIP

SN: 50001-UP

4шт.

6

07095-20211

CUSHION

SN: 50001-UP

1шт.

7

08053-01510

CLIP

SN: 50001-UP

1шт.

8A

01010-81020

BOLT

SN: 50001-UP

6шт.

9

01643-31032

WASHER

SN: 50001-UP

7шт.

10

01010-81220

BOLT

SN: 50001-UP

3шт.

11

01643-31232

WASHER

SN: 50001-UP

3шт.

12

08038-00519

CAP

SN: 50001-UP

4шт.

12A

08038-00525

CAP

SN: 50001-UP

2шт.

13

11Y-06-11630

CAP

SN: 50001-UP

1шт.

14

11Y-06-11451

BRACKET

SN: 50001-UP

1шт.

15

11Y-06-11531

PLATE

SN: 50001-UP

1шт.

16

01010-81220

BOLT

SN: 50001-UP

2шт.

17

01643-31232

WASHER

SN: 50001-UP

2шт.

17A

08034-40521

BAND

SN: 50001-UP

1шт.

17B

08034-20519

BAND

SN: 50001-UP

1шт.

18

11Y-06-11391

SWITCH

SN: 50141-UP

1шт.

|18

11Y-06-11390

SWITCH

SN: 50001-50140

1шт.

19

01010-80816

BOLT

SN: 50001-UP

3шт.

20

01643-30823

WASHER

SN: 50001-UP

3шт.

21

08038-00519

CAP

SN: 50001-50140

2шт.

22

01010-80616

BOLT

SN: 50001-UP

2шт.

23

01643-30623

WASHER

SN: 50001-UP

2шт.

24

08038-00519

CAP

SN: 50001-UP

4шт.

25

11Y-06-11221

CABLE

SN: 50001-UP

1шт.

Выбрано товаров: 29