Запчасти Komatsu D31PX-21 АККУМУЛЯТОР ЭЛЕКТРОПРОВОДКА ЭЛЕКТРИКА

Схема запчастей Komatsu D31PX-21 - АККУМУЛЯТОР ЭЛЕКТРОПРОВОДКА ЭЛЕКТРИКА
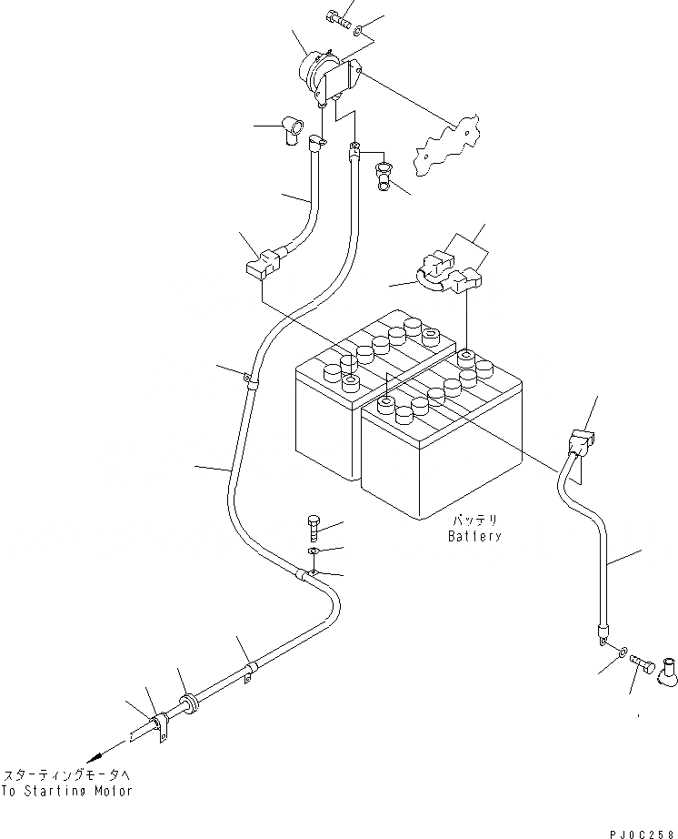
1
2
3
4
5
6
7
7
8
9
9
10
11
12
12
12
13
14
15
15A
16
16
FIT
1:1
100%

Артикул

Название

Примечание

Количество

1

08088-30000

SWITCH

SN: 50001-UP

1шт.

2

01010-80830

BOLT

SN: 50001-UP

2шт.

3

01643-30823

WASHER

SN: 50001-UP

2шт.

4

08028-63005

CABLE

SN: 50001-UP

1шт.

5

08028-43030

CABLE

SN: 50001-UP

1шт.

6

11Y-06-11240

WIRE

SN: 50001-UP

1шт.

7

11Y-06-11630

CAP

SN: 50001-UP

2шт.

8

08037-02512

GROMMET

SN: 50001-UP

1шт.

9

08038-42009

CAP

SN: 50001-UP

3шт.

10

08038-22009

CAP

SN: 50001-UP

1шт.

11

11Y-06-11212

CABLE

SN: 50001-UP

1шт.

12

04434-51910

CLIP

SN: 50001-UP

3шт.

13

04434-52511

CLIP

SN: 50001-UP

1шт.

14

07095-20318

CUSHION

SN: 50001-UP

1шт.

15

01010-81016

BOLT

SN: 50001-UP

1шт.

15A

01010-81020

BOLT

SN: 50001-UP

2шт.

16

01643-31032

WASHER

SN: 50001-UP

4шт.

Выбрано товаров: 0