Запчасти Komatsu D31PX-22 ЗАДН. ЧАСТИ КОРПУСА, ЧАСТИ КОРПУСА И КРЕПЛЕНИЕ (№-) ЗАДН. ЧАСТИ КОРПУСА, ДЛЯ TОБОД КОЛЕСАMING DOZER СПЕЦ-ЯIFICATION

Схема запчастей Komatsu D31PX-22 - ЗАДН. ЧАСТИ КОРПУСА, ЧАСТИ КОРПУСА И КРЕПЛЕНИЕ (№-) ЗАДН. ЧАСТИ КОРПУСА, ДЛЯ TОБОД КОЛЕСАMING DOZER СПЕЦ-ЯIFICATION
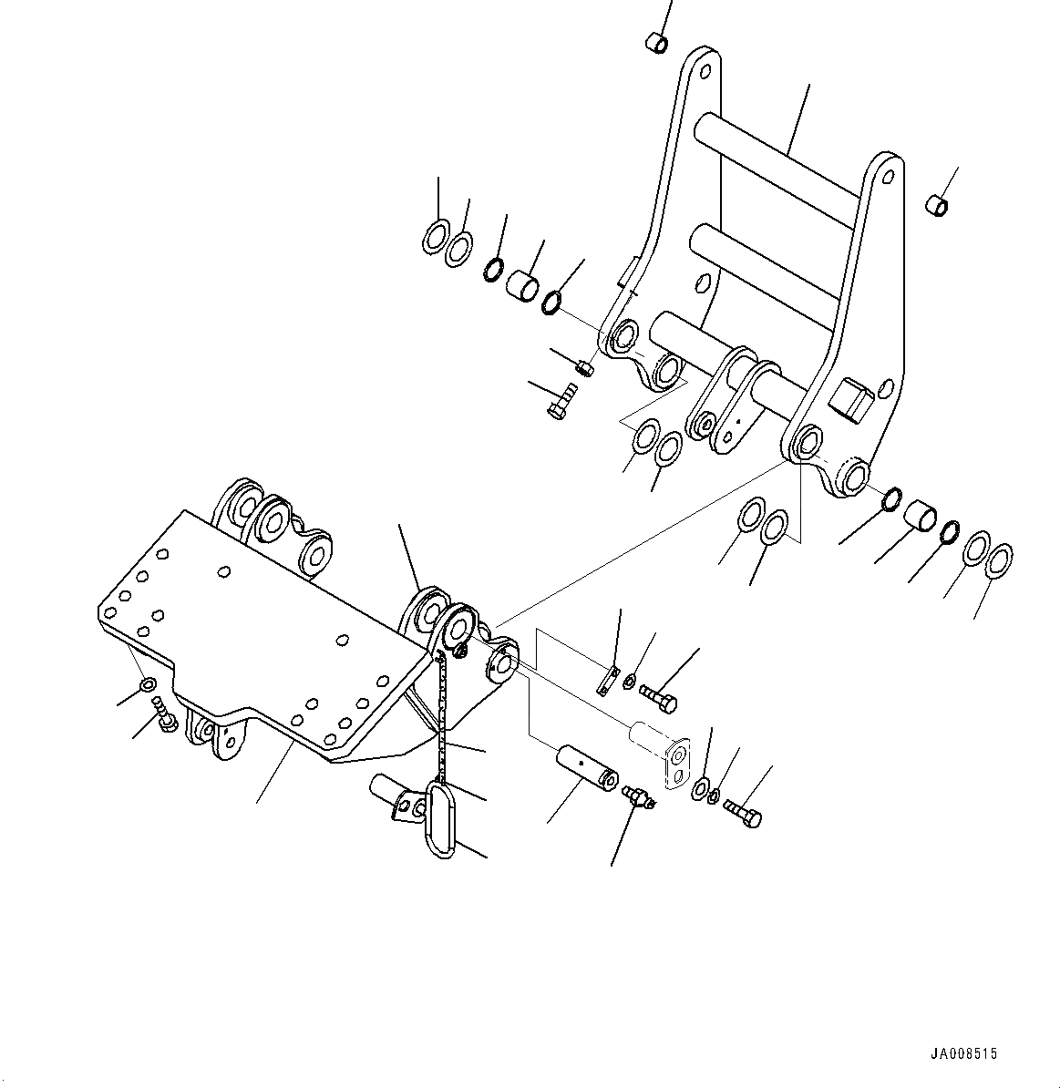
1
2
3
4
5
6
7
8
9
12
13
14
18
16
17
19
20
21
22
23
2
4
3
4
4
11
10
10
11
11
10
11
10
15
FIT
1:1
100%

Артикул

Название

Примечание

Количество

1

11Y-916-1211

Guard

SN: 60001-UP

1шт.

2

11Y-916-3180

Bushing

SN: 60001-UP

2шт.

3

07143-10505

Bushing

SN: 60001-UP

2шт.

4

07145-00050

Seal, Dust

SN: 60001-UP

4шт.

5

09241-50160

Pin

SN: 60001-UP

2шт.

6

04082-00212

Lock

SN: 60001-UP

2шт.

7

01010-81225

Bolt

SN: 60001-UP

4шт.

8

01602-21236

Washer, Spring

SN: 60001-UP

4шт.

9

07020-00000

Fitting, Grease

SN: 60001-UP

2шт.

10

20T-70-81750

Spacer, T=0.5mm

SN: 60001-UP

8шт.

11

22C-70-31510

Spacer, T=1.0mm

SN: 60001-UP

8шт.

12

01016-52460

Bolt

SN: 60001-UP

2шт.

13

01580-12419

Nut

SN: 60001-UP

2шт.

14

11Y-916-1221

Bracket

SN: 60001-UP

1шт.

15

09245-04836

Chain,Welded

SN: 60001-UP

2шт.

16

09245-50060

Hook,Welded

SN: 60001-UP

4шт.

17

11Y-916-1230

Pin,Welded

SN: 60001-UP

2шт.

18

Bracket,Welded

SN: 60001-UP

1шт.

19

01010-82480

Bolt

SN: 60001-UP

14шт.

20

01643-32460

Washer

SN: 60001-UP

14шт.

21

01010-81220

Bolt

SN: 60001-UP

2шт.

22

01643-31232

Washer

SN: 60001-UP

2шт.

23

175-54-34170

Washer

SN: 60001-UP

2шт.

Выбрано товаров: 23