Запчасти Komatsu D31PX-22 ЗАДН. ЧАСТИ КОРПУСА, ПАЛЕЦ И ТРУБЫ (№-) ЗАДН. ЧАСТИ КОРПУСА, ДЛЯ TОБОД КОЛЕСАMING DOZER СПЕЦ-ЯIFICATION

Схема запчастей Komatsu D31PX-22 - ЗАДН. ЧАСТИ КОРПУСА, ПАЛЕЦ И ТРУБЫ (№-) ЗАДН. ЧАСТИ КОРПУСА, ДЛЯ TОБОД КОЛЕСАMING DOZER СПЕЦ-ЯIFICATION
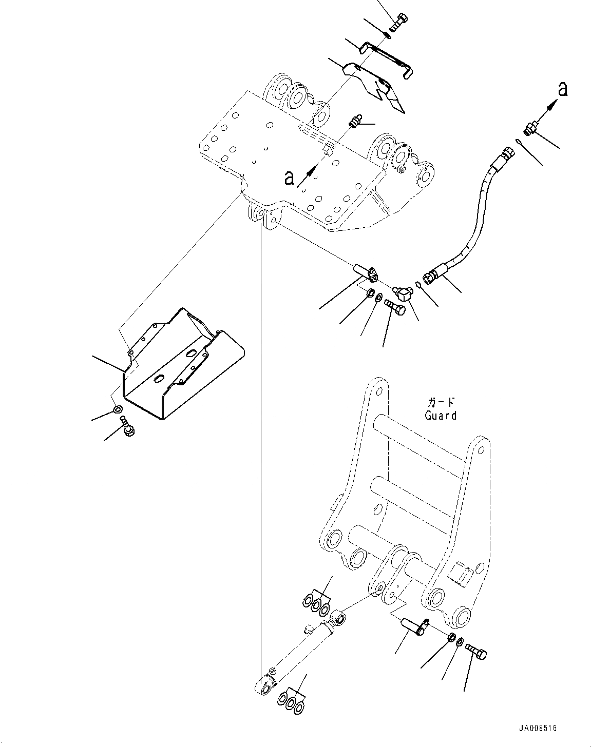
1
2
3
4
5
9
10
11
12
13
14
15
16
17
18
19
20
6
7
8
9
22
21
FIT
1:1
100%

Артикул

Название

Примечание

Количество

1

11Y-916-1320

Pin

SN: 60001-UP

1шт.

2

01010-81025

Bolt

SN: 60001-UP

1шт.

3

01643-31032

Washer

SN: 60001-UP

1шт.

4

22J-70-11550

Collar

SN: 60001-UP

1шт.

5

11Y-916-1330

Pin

SN: 60001-UP

1шт.

6

01010-81025

Bolt

SN: 60001-UP

1шт.

7

01643-31032

Washer

SN: 60001-UP

1шт.

8

22J-70-11550

Collar

SN: 60001-UP

1шт.

9

20N-70-11280

Spacer, T=1.0mm

SN: 60001-UP

6шт.

10

19M-60-35320

Elbow

SN: 60001-UP

1шт.

11

02896-11008

O-ring

SN: 60001-UP

1шт.

12

02753-002A3

Hose

SN: 60001-UP

1шт.

13

19M-60-35340

Nipple

SN: 60001-UP

1шт.

14

02896-11008

O-ring

SN: 60001-UP

1шт.

15

07020-00000

Fitting, Grease

SN: 60001-UP

1шт.

16

11Y-916-1291

Cover

SN: 60001-UP

1шт.

17

01010-81225

Bolt

SN: 60001-UP

6шт.

18

01643-31232

Washer

SN: 60001-UP

6шт.

19

11Y-916-1361

Sheet

SN: 60001-UP

1шт.

20

11Y-916-1350

Plate

SN: 60001-UP

1шт.

21

01010-81025

Bolt

SN: 60001-UP

2шт.

22

01643-31032

Washer

SN: 60001-UP

2шт.

Выбрано товаров: 22