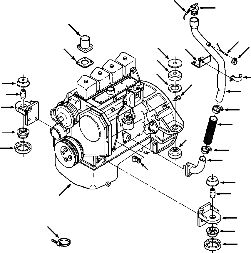
Запчасти Komatsu D32E-1 ДВИГАТЕЛЬ И КРЕПЛЕНИЕ POWER

Схема запчастей Komatsu D32E-1 - ДВИГАТЕЛЬ И КРЕПЛЕНИЕ POWER
18
9
21
18
20
7
22
10
5
6
11
14
3
8
19
2
17
16
3
5
4
17
15
12
3
19
23
1
13
3
4
FIT
1:1
100%

Артикул

Название

Примечание

Количество

|$0

1271 096 H91

ENGINE AND MOUNTING

-54шт.

1

1269 911 H91

BRACKET, LEFT FRONT ENGINE

1шт.

|$2

30 043 R1

BOLT, HEX - M12x35

3шт.

|$3

25 536 R1

WASHER, FLAT - 1/2

3шт.

2

1269 910 H91

BRACKET, RIGHT FRONT ENGINE

1шт.

|$5

30 043 R1

BOLT, HEX - M12x35

3шт.

|$6

25 536 R1

WASHER, FLAT - 1/2

3шт.

3

1277 978 H1

BUSHING, FRONT

4шт.

4

1282 265 H1

LIMITER, ENGINE

2шт.

|$9

25 285 R1

BOLT, HEX - 1/2NCx3-1/4

2шт.

|$10

25 546 R1

WASHER, FLAT - 1/2

2шт.

5

1284 656 H1

BUSHING, REAR

2шт.

6

1299 272 H1

SPACER, BUSHING

2шт.

7

1237 424 H1

WASHER, BUSHING

2шт.

|$14

24 881 R1

BOLT, HEX - 5/8NCx4

2шт.

|$15

25 547 R1

WASHER, FLAT - 5/8

2шт.

8

1279 794 H91

TUBE, OIL FILLER

1шт.

9

685 917 C1

CAP, FILLER TUBE

1шт.

10

1271 232 H1

BRACKET, FILLER TUBE

1шт.

|$19

30 001 R1

BOLT, HEX - M8x16

1шт.

|$20

25 552 R1

WASHER, FLAT - 5/16

1шт.

11

710 479 C1

CLAMP, TUBE

1шт.

|$22

24 840 R1

BOLT, HEX - 3/8NCx1

1шт.

|$23

25 544 R1

WASHER, FLAT - 3/8

2шт.

|$24

25 522 R1

NUT, HEX - 3/8NC

1шт.

12

645 272 C1

CLAMP, DIPSTICK

1шт.

|$26

25 222 R1

BOLT, HEX - 1/4NCx3/4

1шт.

|$27

25 532 R1

WASHER, FLAT - 1/4

2шт.

|$28

25 519 R1

NUT, HEX - 1/4NC

1шт.

13

306 132 C2

STRAP, CABLE

2шт.

14

9410 359

PLUG, HOUSING

1шт.

15

1243 368 H91

TUBE, FILLER

1шт.

|$32

328 138 R1

RING, SEAL

1шт.

|$33

30 043 R1

BOLT, HEX - M12x35

2шт.

|$34

682 308 C1

WASHER, FLAT

1шт.

16

327 255 R1

HOSE, FILLER

1шт.

17

279 027 R91

CLAMP, HOSE

2шт.

18

1129 807 C1

CABLE, FILLER CAP

1шт.

19

1282 183 H1

SPACER, FRONT MOUNTING

2шт.

20

98 959 R1

CLIP, CLOSED

1шт.

|$40

24 838 R1

BOLT, HEX - 3/8NCx1/2

1шт.

|$41

25 534 R1

WASHER, FLAT - 3/8

1шт.

21

1282 253 H91

TUBE, EXHAUST

1шт.

|$43

30 021 R1

BOLT, HEX - M10x30

4шт.

|$44

25 534 R1

WASHER, FLAT - 3/8

4шт.

22

1244 147 H1

GASKET, EXHAUST TUBE

1шт.

23

ENGINE (SEE PG 12-028)

-29шт.

|$$48

-1шт.

|$48

F1 - PART NUMBER IS A NON-SERVICE PART AND IS LISTED FOR REFERENCE ONLY.

-1шт.

|$$50

-1шт.

Выбрано товаров: 50