Запчасти Komatsu D32E-1 ТОПЛИВН. ФИЛЬТР. ТРУБЫ POWER

Схема запчастей Komatsu D32E-1 - ТОПЛИВН. ФИЛЬТР. ТРУБЫ POWER
3
1
4
2
5
FIT
1:1
100%

Артикул

Название

Примечание

Количество

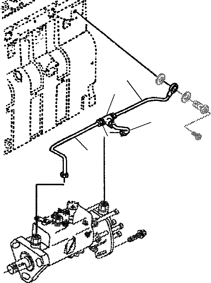
1

1240 336 H1

TEE, MALE UNION

1шт.

2

1240 340 H1

TUBE, FUEL SUPPLY

1шт.

|$2

1240 335 H1

SEAL, GROMMET

1шт.

3

1240 338 H1

TUBE, FUEL SUPPLY

1шт.

|$4

1240 335 H1

SEAL, GROMMET

1шт.

4

1240 337 H1

TUBE, FUEL SUPPLY

1шт.

|$6

1240 335 H1

SEAL, GROMMET

1шт.

5

1240 335 H1

SEAL, GROMMET

3шт.

Выбрано товаров: 8