Запчасти Komatsu D32E-1 КАБИНА ROPS - /9 ДВОРНИКИS И ОМЫВАТЕЛЬS SUPERSTRUCTURE

Схема запчастей Komatsu D32E-1 - КАБИНА ROPS - /9 ДВОРНИКИS И ОМЫВАТЕЛЬS SUPERSTRUCTURE
27
13
5
3
4
15
16
17
2
14
31
29
22
22
12
2
4
3
19
13
28
21
5
18
30
15
20
25
20
8
16
7
24
26
23
25
10
14
8
1
11
10
5
7
6
9
4
5
6
2
9
9
3
4
2
9
3
FIT
1:1
100%

Артикул

Название

Примечание

Количество

|$0

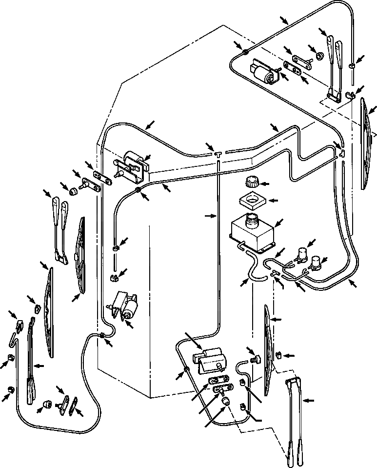
1304 301 H91

CAB ASSY, COMPLETE

1шт.

1

WIPER, LOWER LEFT (SEE PG 13-080)

-29шт.

|$2

26 080 R1

BOLT, HEX - 1/4NFx1/2

1шт.

|$3

120 380

WASHER, LOCK - 1/4

1шт.

|$4

1200 799 H91

PIVOT ASSY, SLAVE

1шт.

2

1211 748 H1

GASKET, PIVOT

1шт.

3

1211 750 H1

CAP, PIVOT

1шт.

|$7

1211 749 H1

WASHER, FLAT

1шт.

|$8

30 167 R1

NUT, HEX - M8

1шт.

4

NSS

PIVOT, SLAVE

1шт.

|$10

26 080 R1

BOLT, HEX - 1/4NFx1/2

4шт.

|$11

120 380

WASHER, LOCK - 1/4

4шт.

|$12

120 613

NUT, JAM - 1/4NF

4шт.

5

109 390

GROMMET, RUBBER

4шт.

6

1209 654 H1

ARM, LOWER WIPER

2шт.

|$15

1209 655 H1

BLADE ASSY, WIPER

2шт.

7

1280 699 H1

CLAMP, MOUNTING

1шт.

|$17

1280 698 H1

BOLT, SHOULDER

1шт.

|$18

3078 617 R1

WASHER, FLAT

1шт.

|$19

1280 697 H1

WASHER, LOCK

1шт.

|$20

933 763 R1

NUT, HEX - M4

1шт.

8

NSS

BLADE, WIPER

1шт.

9

1210 371 H1

CLIP, WIPER ARM

2шт.

10

1210 134 H1

NOZZLE, WASHER

2шт.

11

WIPER, LOWER RIGHT (SEE PG 13-082)

-29шт.

|$25

26 080 R1

BOLT, HEX - 1/4NFx1/2

1шт.

|$26

120 380

WASHER, LOCK - 1/4

1шт.

12

WIPER, FRONT CENTER (SEE PG 13-080)

-29шт.

|$28

26 080 R1

BOLT, HEX - 1/4NFx1/2

1шт.

|$29

120 380

WASHER, LOCK - 1/4

1шт.

13

1232 861 H1

ARM, WIPER

2шт.

14

1251 450 H1

BLADE, WIPER

2шт.

15

1200 801 H1

CLIP, HOSE

2шт.

16

1200 800 H1

NOZZLE, WASHER

2шт.

17

WIPER, REAR (SEE PG 13-084)

-29шт.

|$35

26 080 R1

BOLT, HEX - 1/4NFx1/2

1шт.

|$36

120 380

WASHER, LOCK - 1/4

1шт.

18

1304 339 H91

TANK, WASHER

1шт.

|$38

931 826 R1

BOLT, HEX - M6x12

4шт.

|$39

934 948 R1

WASHER, FLAT - M6

4шт.

19

1214 181 H1

CAP, FILL

1шт.

20

1304 401 H91

PUMP, WASHER

1шт.

|$42

1309 611 H1

SCREW

4шт.

|$43

934 948 R1

WASHER, FLAT - M6

4шт.

21

1304 400 H1

INSULATION, TANK

1шт.

22

1277 932 H1

TEE

2шт.

23

1245 503 H1

TEE

1шт.

24

HOSE, TANK TO TEE - 900MM LONG

1шт.

25

HOSE, TEE TO PUMP - 160MM LONG

2шт.

26

HOSE, PUMP TO REAR TEE - 2050MM LONG

1шт.

27

HOSE, TEE TO REAR WASHER - 1450MM LONG

1шт.

28

HOSE, TEE TO CENTER WASHER - 2250MM LONG

1шт.

29

HOSE, PUMP TO FRONT TEE - 2750MM LONG

1шт.

30

HOSE, FRONT TEE TO LEFT WASHER - 2550MM LONG

1шт.

31

HOSE, FRONT TEE TO RIGHT WASHER - 3650MM LONG

1шт.

|$55

1209 692 H1

HOSE, BULK

-2шт.

|$56

940 455 C2

HOSE, BULK

-2шт.

|$$58

-1шт.

|$58

F1 - CUT REQUIRED LENGTH FROM BULK HOSE 1209 692 H1.

-1шт.

|$$60

-1шт.

|$$61

-1шт.

|$61

F2 - CUT REQUIRED LENGTH FROM BULK HOSE 940 455 C2.

-1шт.

|$$63

-1шт.

Выбрано товаров: 63