Запчасти Komatsu D32E-1 ПРИВОД TRAIN ТРУБЫ - КАБИНА ROPS ТОРМОЗНОЙ КЛАПАН ЛИНИИ ПРИВОД TRAIN

Схема запчастей Komatsu D32E-1 - ПРИВОД TRAIN ТРУБЫ - КАБИНА ROPS ТОРМОЗНОЙ КЛАПАН ЛИНИИ ПРИВОД TRAIN
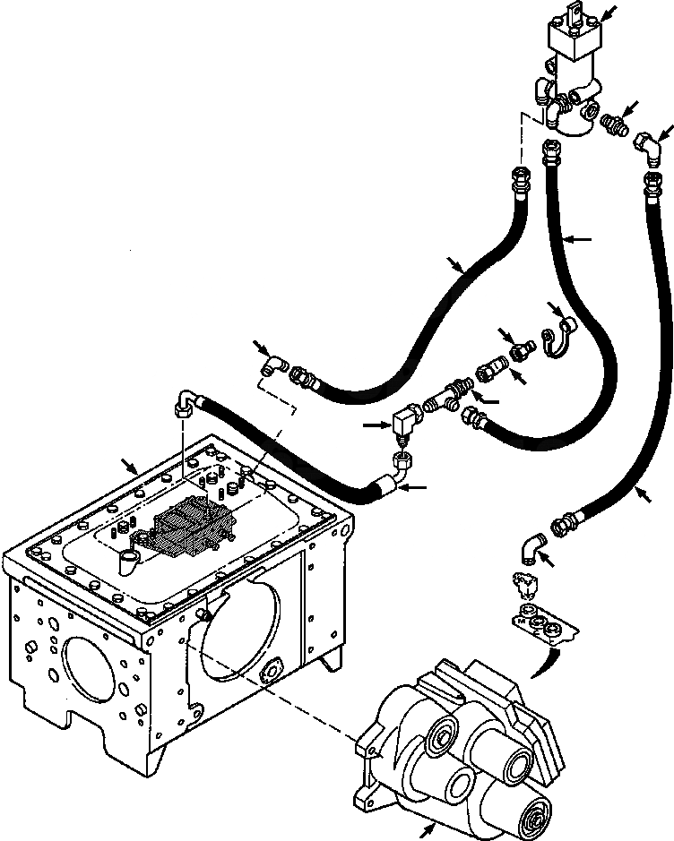
12
9
10
3
1
6
5
2
15
4
7
14
8
11
15
13
FIT
1:1
100%

Артикул

Название

Примечание

Количество

1

150 337 H1

HOSE, D PORT IN BRAKE VALVE TO RMF COVER

1шт.

2

333 934 R1

ELBOW, 90°

1шт.

3

660 866 C1

HOSE, B PORT IN BRAKE VALVE TO TEE IN BATTERY BOX

1шт.

4

1308 385 H1

TEE, AT BATTERY BOX

1шт.

5

1235 846 H1

NIPPLE

1шт.

6

162 144

CAP, DUST

1шт.

7

9410 280

ELBOW, 90°

1шт.

8

717 127 C1

HOSE, BULKHEAD T TO BRAKE CYLINDER

1шт.

9

1301 530 H91

VALVE, CHECK

1шт.

|$9

364 839 R1

RING, SEAL

1шт.

10

9410 280

ELBOW, 90°

1шт.

11

660 867 C1

HOSE, P PORT IN BRAKE VALVE TO M PORT IN TRANS

1шт.

12

VALVE, BRAKE (SEE PG 07-082)

-29шт.

13

TRANSMISSION (SEE PG 07-056)

-29шт.

14

FRAME, REAR MAIN (SEE PG 09-010)

-29шт.

15

9410 254

ELBOW, 45°

2шт.

Выбрано товаров: 16