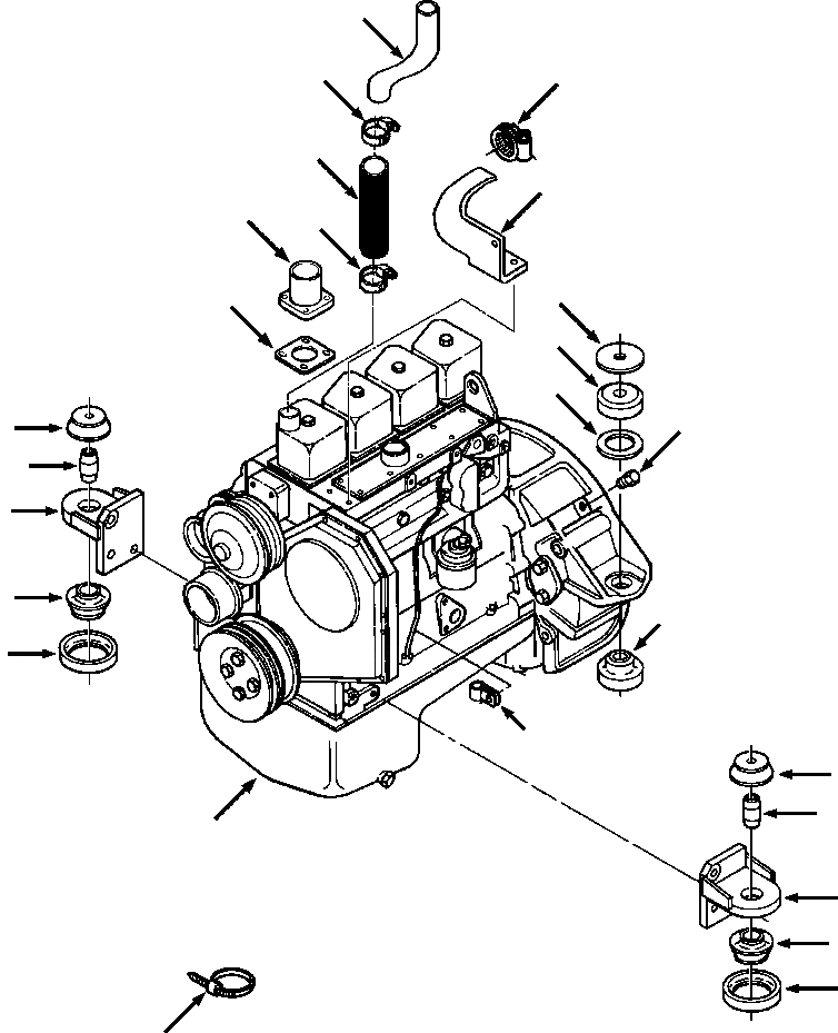
Запчасти Komatsu D32E-1 ДВИГАТЕЛЬ И КРЕПЛЕНИЕ POWER - DE-

Схема запчастей Komatsu D32E-1 - ДВИГАТЕЛЬ И КРЕПЛЕНИЕ POWER - DE-
9
11
11
10
8
15
11
7
16
5
6
14
3
18
2
3
5
4
12
3
18
17
1
3
4
13
FIT
1:1
100%

Артикул

Название

Примечание

Количество

|$0

1311 110 H91

ENGINE AND MOUNTING

-54шт.

1

1269 911 H91

BRACKET, LEFT FRONT ENGINE

1шт.

|$2

30 043 R1

BOLT, HEX - M12x35

3шт.

|$3

25 536 R1

WASHER, FLAT - 1/2

3шт.

2

1269 910 H91

BRACKET, RIGHT FRONT ENGINE

1шт.

|$5

30 043 R1

BOLT, HEX - M12x35

3шт.

|$6

25 536 R1

WASHER, FLAT - 1/2

3шт.

3

1277 978 H1

BUSHING, FRONT

4шт.

4

1282 265 H1

LIMITER, ENGINE

2шт.

|$9

25 285 R1

BOLT, HEX - 1/2NCx3-1/4

2шт.

|$10

25 546 R1

WASHER, FLAT - 1/2

2шт.

5

1284 656 H1

BUSHING, REAR

2шт.

6

1299 272 H1

SPACER, BUSHING

2шт.

7

1237 424 H1

WASHER, BUSHING

2шт.

|$14

24 881 R1

BOLT, HEX - 5/8NCx4

2шт.

|$15

25 547 R1

WASHER, FLAT - 5/8

2шт.

8

1311 384 H1

BRACKET, OIL FILL TUBE SUPPORT

1шт.

|$17

30 302 R1

BOLT, MOUNTING - M10x25

2шт.

|$18

25 534 R1

WASHER, FLAT - 3/8

2шт.

9

1311 383 H1

TUBE, OIL FILL

1шт.

10

HOSE - 3IN LONG

1шт.

11

27 725 R1

CLIP, CLOSED

3шт.

12

645 272 C1

CLAMP, DIPSTICK

1шт.

|$23

25 222 R1

BOLT, HEX - 1/4NCx3/4

1шт.

|$24

25 532 R1

WASHER, FLAT - 1/4

2шт.

|$25

25 519 R1

NUT, HEX - 1/4NC

1шт.

13

935 522 C1

STRAP, TIE

2шт.

14

9410 359

PLUG, HOUSING

1шт.

15

1282 253 H91

TUBE, EXHAUST

1шт.

|$29

30 021 R1

BOLT, HEX - M10x30

4шт.

|$30

25 534 R1

WASHER, FLAT - 3/8

4шт.

16

6736-11-5590

GASKET, EXHAUST TUBE

1шт.

17

ENGINE, D4102E-1 (SEE PG 12-114)

-29шт.

18

1282 183 H1

SPACER, FRONT MOUNTING

2шт.

|$$35

-1шт.

|$35

F1 - PART NUMBER IS A NON-SERVICE PART AND IS LISTED FOR REFERENCE ONLY.

-1шт.

|$$37

-1шт.

|$$38

-1шт.

|$38

F2 - CUT REQUIRED LENGTH FROM BULK HOSE 4011 329 R1.

-1шт.

|$$40

-1шт.

Выбрано товаров: 40