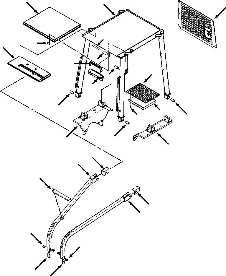
Запчасти Komatsu D32E-1 ROPS, HEADLINER, КРЫЛОS, SWEEPS И ЗАДН. ЭКРАН С СИСТЕМОЙ ROPS SUPERSTRUCTURE

Схема запчастей Komatsu D32E-1 - ROPS, HEADLINER, КРЫЛОS, SWEEPS И ЗАДН. ЭКРАН С СИСТЕМОЙ ROPS SUPERSTRUCTURE
5
4
21
3
7
6
2
8
10
1
9
1
11
12
1
1
14
13
17
20
18
17
19
15
15
16
16
FIT
1:1
100%

Артикул

Название

Примечание

Количество

|$0

1308 064 H91

ROPS WITH SEAT BELT

-54шт.

1

195-978-1311

ISOLATOR, VIBRATION

4шт.

|$2

25 996 R1

BOLT, HEX - 1 NC x 6

4шт.

|$3

25 550 R1

WASHER, FLAT - 1

4шт.

|$4

9413 986

NUT, LOCK - 1 NC

4шт.

2

NSS

PLATE, SERIAL NUMBER

1шт.

|$6

145 373

SCREW, MOUNTING - #6 x 1/4

4шт.

3

ROPS CAUTION (SEE PG 02-002)

-29шт.

|$8

BELT, SEAT (SEE PG 13-026)

-29шт.

4

1305 633 H91

FRAME, ROPS

1шт.

5

1306 669 H91

HEADLINER, FOAM

1шт.

6

1306 673 H91

HEADLINER, FOAM

1шт.

7

1284 629 H1

CLIP, MOUNTING

16шт.

8

1171 438 C1

BRACKET, MIRROR MOUNTING

1шт.

|$14

931 830 R1

BOLT, HEX - M8 x 20

2шт.

|$15

25 533 R1

WASHER, FLAT - 5/16

2шт.

9

1171 831 C1

MIRROR

1шт.

|$17

465 567 R1

BOLT, HEX - 1/2 NC x 1-1/2

2шт.

|$18

25 546 R1

WASHER, FLAT - 1/2

2шт.

|$19

9412 230

NUT, LOCK - 1/2

2шт.

10

1308 067 H2

PLATE

1шт.

11

142 075

PLUG

10шт.

|$22

1300 486 H91

FENDERS AND PLATFORMS

-54шт.

|$23

1300 612 H91

PLATE ASSY, FLOOR

-54шт.

12

1300 613 H91

PLATE, FLOOR

1шт.

|$25

24 840 R1

BOLT, HEX - 3/8 NC x 1

4шт.

|$26

25 553 R1

WASHER, FLAT - 3/8

4шт.

13

1299 607 H91

FENDER, LEFT

1шт.

|$28

24 891 R1

BOLT, HEX - 3/4 NC x 2-3/4

4шт.

|$29

25 548 R1

WASHER, FLAT - 3/4

4шт.

14

1299 608 H91

FENDER, RIGHT

1шт.

|$31

24 891 R1

BOLT, HEX - 3/4 NC x 2-3/4

4шт.

|$32

25 548 R1

WASHER, FLAT - 3/4

4шт.

|$33

1306 876 H91

FRONT SWEEPS

-54шт.

15

153 343 H1

BUSHING, ISO MOUNT

4шт.

|$35

25 680 R1

BOLT, HEX - 5/8 NC x 6

2шт.

|$36

M 22 352

WASHER, FLAT - 21/32

4шт.

|$37

9412 231

NUT, LOCK - 5/8 NC

2шт.

16

1259 993 H1

LUG, MOUNTING

2шт.

17

1308 072 H1

LUG, MOUNTING

2шт.

18

1308 061 H1

CROSSMEMBER

1шт.

|$41

24 876 R1

BOLT, HEX - 5/8 NC x 2-1/4

2шт.

|$42

25 537 R1

WASHER, FLAT - 5/8

4шт.

|$43

9412 231

NUT, LOCK - 5/8 NC

2шт.

19

1311 295 H91

SWEEP, LEFT

1шт.

|$45

24 880 R1

BOLT, HEX - 5/8 NC x 3-1/2

1шт.

|$46

25 556 R1

WASHER, FLAT - 5/8

2шт.

|$47

9412 231

NUT, LOCK - 5/8 NC

1шт.

20

1311 296 H91

SWEEP, RIGHT

1шт.

|$49

24 880 R1

BOLT, HEX - 5/8 NC x 3-1/2

1шт.

|$50

25 556 R1

WASHER, FLAT - 5/8

2шт.

|$51

9412 231

NUT, LOCK - 5/8 NC

1шт.

|$52

1308 317 H91

REAR SCREEN

-54шт.

21

1308 068 H91

SCREEN, REAR

1шт.

|$54

24 869 R1

BOLT, HEX - 1/2 NC x 4-1/2

1шт.

|$55

25 658 R1

BOLT, HEX - 1/2 NC x 4-1/4

5шт.

|$56

25 555 R1

WASHER, FLAT - 1/2

12шт.

|$57

25 526 R1

NUT, HEX - 1/2 NC

6шт.

|$$59

-1шт.

|$59

F1 - PART NUMBER IS A NON-SERVICE PART AND IS LISTED FOR REFERENCE ONLY.

-1шт.

|$$61

-1шт.

Выбрано товаров: 61