Запчасти Komatsu D32E-1 ПРИВОД ЛИНИЯ ПРИВОД TRAIN

Схема запчастей Komatsu D32E-1 - ПРИВОД ЛИНИЯ ПРИВОД TRAIN
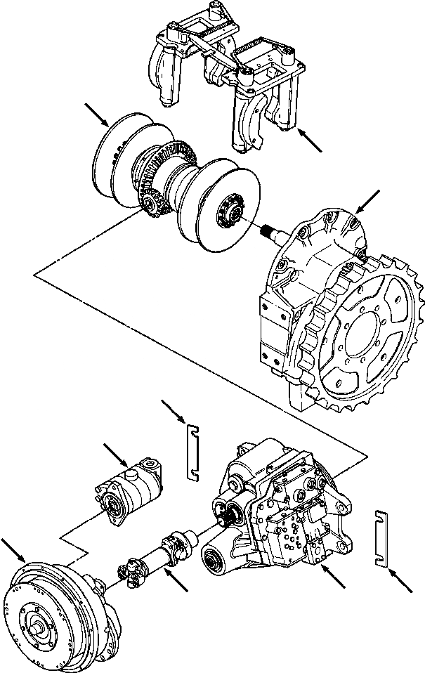
6
7
8
5
2
1
4
3
5
FIT
1:1
100%

Артикул

Название

Примечание

Количество

1

TORQUE CONVERTER (SEE PG 07-030)

-29шт.

1

TORQUE CONVERTER (SEE PG 07-038)

-29шт.

|$2

30 024 R1

BOLT, HEX - M10x45

12шт.

|$3

30 176 R1

WASHER, FLAT - M10

12шт.

|$4

26 318 R1

BOLT, HEX - 1/2NCx1-1/2

8шт.

|$5

25 536 R1

WASHER, FLAT - 1/2

8шт.

2

PUMP, CHARGE AND SCAVENGE (SEE PG 07-028)

-29шт.

|$7

468 339 R1

SEAL, MOUNTING

1шт.

|$8

25 506 R1

BOLT, HEX - 1/2NCx1-5/8

2шт.

|$9

25 536 R1

WASHER, FLAT - 1/2

2шт.

3

DRIVE SHAFT (SEE PG 07-042)

-29шт.

|$11

27 366 R1

BOLT, HEX - 5/16NFx1-1/2

4шт.

4

TRANSMISSION, COMPLETE (SEE PG 07-060)

-29шт.

|$13

936 658 C1

RING, SEAL - CASE

1шт.

|$14

24 889 R1

BOLT, HEX - 3/4NCx2-1/4

4шт.

|$15

25 538 R1

WASHER, FLAT - 3/4

4шт.

5

621 156 C1

SHIM, MOUNTING - 0.002IN

-2шт.

|$17

621 157 C1

SHIM, MOUNTING - 0.007IN

-2шт.

|$18

621 158 C1

SHIM, MOUNTING - 0.020IN

-2шт.

6

STEERING DRIVE (SEE PG 07-092)

-29шт.

7

BRAKE SHOES AND LEVERS (SEE PG 04-014)

-29шт.

8

FINAL DRIVE (SEE PG 07-096)

-29шт.

8

FINAL DRIVE (SEE PG 07-112)

-29шт.

|$$24

-1шт.

|$24

F1 - WITH TWO PIECE STYLE CONVERTER HOUSING.

-1шт.

|$$26

-1шт.

|$$27

-1шт.

|$27

F2 - WITH ONE PIECE STYLE CONVERTER HOUSING.

-1шт.

|$$29

-1шт.

|$$30

-1шт.

|$30

F3 - PART OF TRANSMISSION SERVICE KIT 741 453 C93.

-1шт.

|$$32

-1шт.

Выбрано товаров: 32